EasyManua.ls Logo

Learjet 35 - Page 283

Learjet 35
482 pages
Print Icon
To Next Page IconTo Next Page
To Next Page IconTo Next Page
To Previous Page IconTo Previous Page
To Previous Page IconTo Previous Page
Loading...
Leerjet 35/36 Developed for Training Purposes 4C-7
February 1998
Environmental Systems
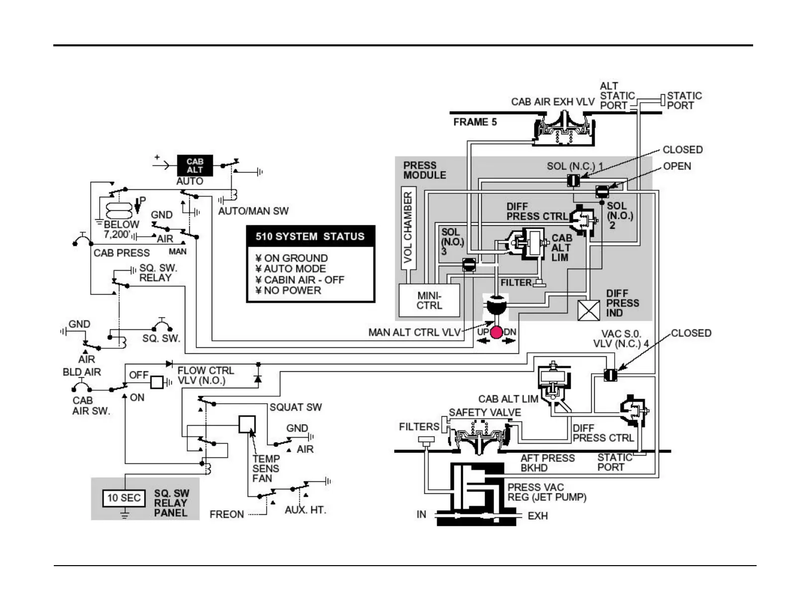
510 Pressurization System

Table of Contents

Related product manuals