EasyManua.ls Logo

Learjet 35 - Page 347

Learjet 35
482 pages
Print Icon
To Next Page IconTo Next Page
To Next Page IconTo Next Page
To Previous Page IconTo Previous Page
To Previous Page IconTo Previous Page
Loading...
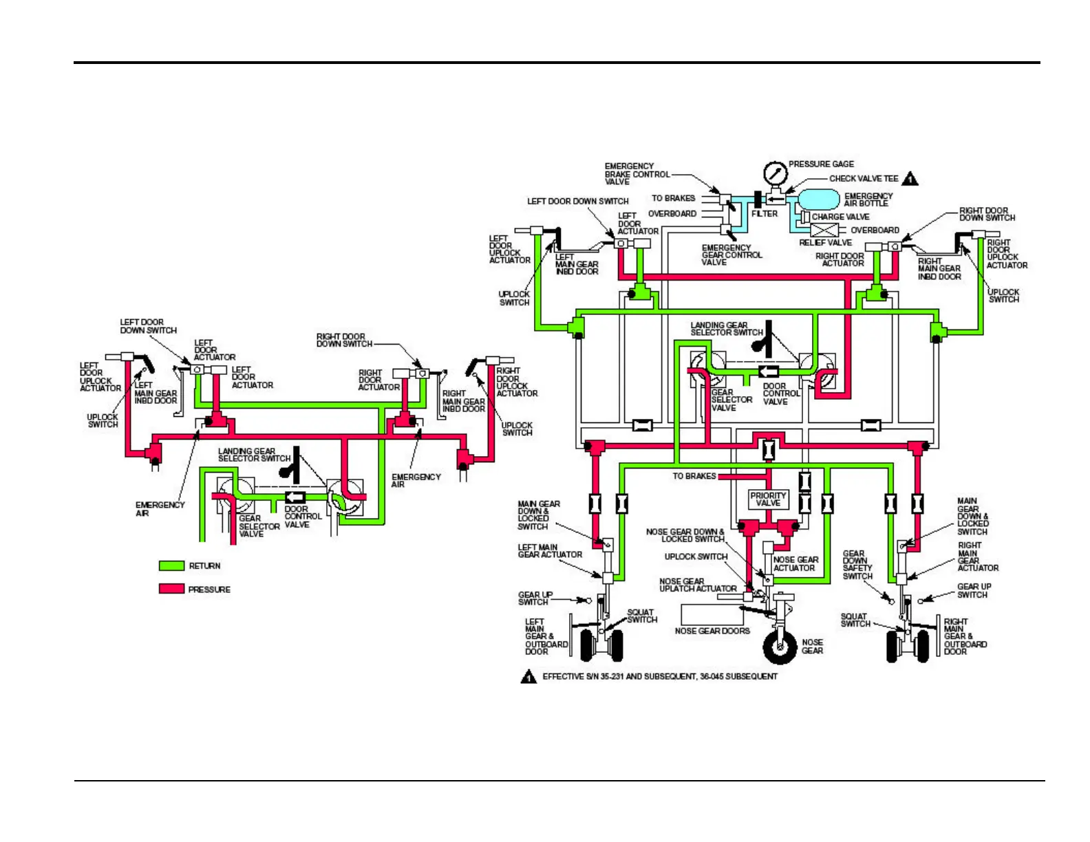
Leerjet 35/36 Developed for Training Purposes 4I-3
February 1998
Landing Gear and Brakes
Landing Gear Extended

Table of Contents

Related product manuals