EasyManua.ls Logo

LEM NORMA 5000 - Block Diagrams; Overall System Overview; Voltage Channel Diagram

Default Icon
83 pages
Print Icon
To Next Page IconTo Next Page
To Next Page IconTo Next Page
To Previous Page IconTo Previous Page
To Previous Page IconTo Previous Page
Loading...
Technical Data
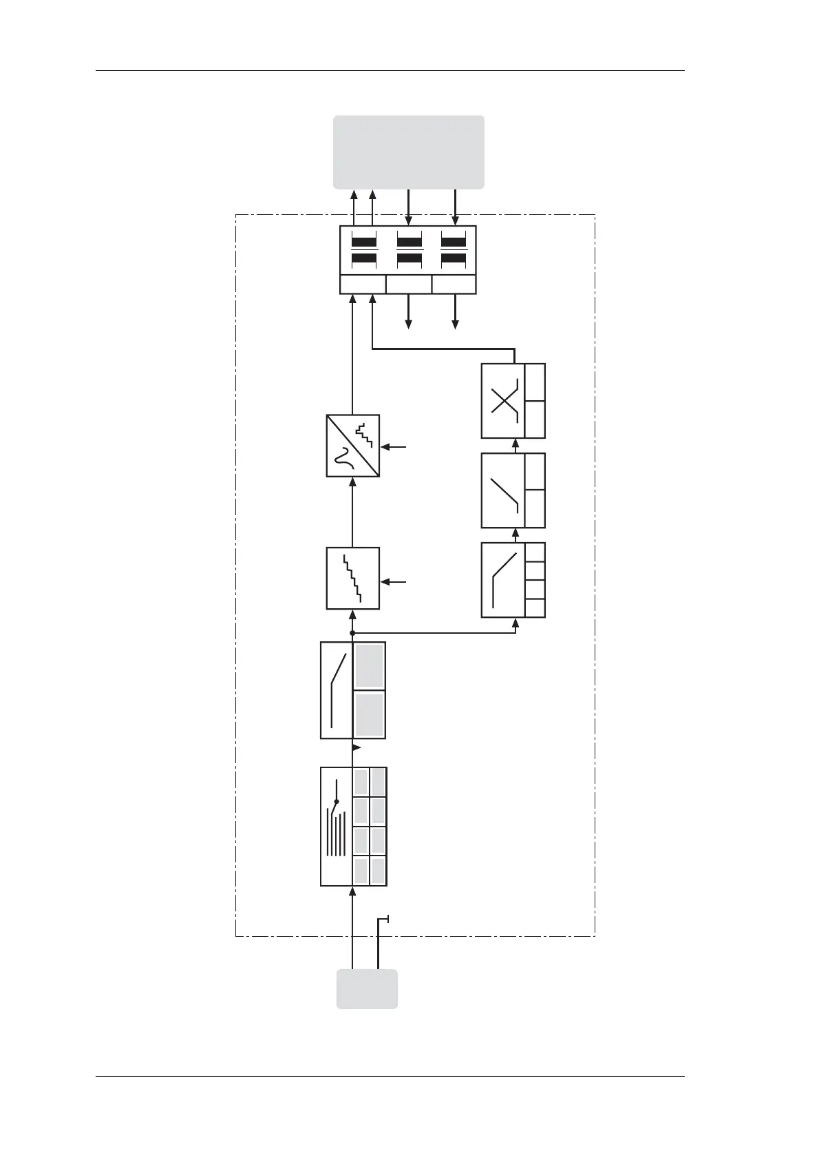
76 Power Analyzer NORMA 4000, NORMA 5000
EO1111G REV G
offon
Filter Triggerlevel Slope
Settings
CLK
CLK
Analog-Digital
Converter
Galvanic
separation
Data U
CLK
Settings U
CLK
Sample/HoldAnti-Aliasing
Hi
Lo
100
Hz
1
kHz
10
kHz
off
Filter
1 V 3 V 10 V0,3 V
100 V 300 V 1000 V30 V
V
oltage channels

Table of Contents

Related product manuals