EasyManua.ls Logo

MacDon DWA - Page 62

MacDon DWA
140 pages
Print Icon
To Next Page IconTo Next Page
To Next Page IconTo Next Page
To Previous Page IconTo Previous Page
To Previous Page IconTo Previous Page
Loading...
215626 52 Revision A

$
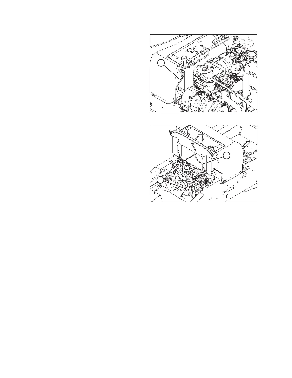
Figure 2.94: M155E4 Fuel Overflow Hose

$
%
Figure 2.95: M155 Fuel Overflow Hose
1. Locate the end of fuel tank overflow hose (A) on the
windrower.
2. On an M155 windrower, pull fuel tank hose (A) out from
clamp (B).
3. Attach the union fitting to the fuel overflow line using the
smaller gear clamp.
SETUP INSTRUCTIONS

Table of Contents

Other manuals for MacDon DWA

Related product manuals