EasyManua.ls Logo

Maggi STEFF 2034 - Page 78

Default Icon
Print Icon
To Next Page IconTo Next Page
To Next Page IconTo Next Page
To Previous Page IconTo Previous Page
To Previous Page IconTo Previous Page
Loading...
FR
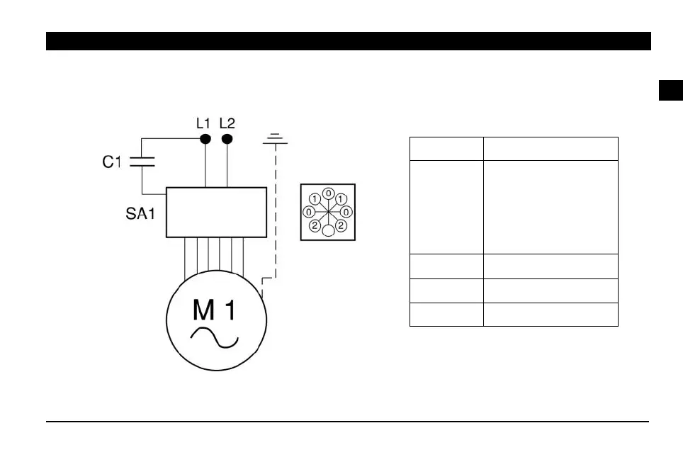
5-1 MOTEUR MONOPHA
CHAPITRE 5 - SCHÉMA ÉLECTRIQUE
Composants Description et fonctionnement
SA1
(1) (2)
(0)
(1) (2)
Commutateur de vitesse
Départ
Arrêt
Reverse
L1, L2 Ligne
C1 Condensateur
M1 Moteur monopha
77

Table of Contents

Related product manuals