EasyManua.ls Logo

MD Helicopters 369D - Page 393

MD Helicopters 369D
722 pages
Print Icon
To Next Page IconTo Next Page
To Next Page IconTo Next Page
To Previous Page IconTo Previous Page
To Previous Page IconTo Previous Page
Loading...
CSP-HMI-3MD Helicopters, Inc.
MAINTENANCE MANUAL
[ Main Menu ]
[ HMI3 Book TOC ]
[ Chapter 96 TOC ]
96-02-00
Page 247
Revision 9
The information disclosed herein is proprietary to MD Helicopters, Inc.
Neither this document nor any part hereof may be reproduced or transferred to
other documents or used or disclosed to others for manufacturing or any other
purpose except as specifically authorized in writing by MD Helicopters, Inc.
Copyright © 19992016 by MD Helicopters, Inc.
1
P1201J
A B RED
SP213
-
+
J1001F22 (TB200-9T)
M5
HOUR
METER
65
TB1003
W1046B22 (TB200-9R)
STROBE
POWER
SUPPLY
AND
FLASHER
P556
P557
1
2
3
1
2
3
ORN
WHT
BLU
ORN
WHT
BLU
WHT
BLK
STOW
E8
L1101A22
L1083A22
(J208-F)
(J208-D)
(J208-E)
SP65
SP64
SP63
SP211
ORN
WHT
BLU
RED
WHT
BLK
DS200
LOWER
STROBE
LIGHT
E44
FOR WHELEN LIGHT ONLY
A
J1301
SP73
(TB200-8R) E1103A22
(TB200-7S) J1072B22
(K301-X1) K1268B22
SP205
L1145C22
L1148A22
S108
S107A
1
2
3
12
JUMPER
JUMPER
12
R6
(50 , 5W, 10%)Ω
L1148B22
DS202
1
2
MAP LT.
REAR
SEAT
L1149A22N (E18-E)
L1146A22
DS205
MAP LT.
PILOT
12
L1147A22N (E18-D)
369D24254
G96-0028-1
A B
A B
A B
A B
A B
A B
J1001E22
E1002D22
L1003B22
E1127B22 (J208-B)
E1128B22 (SP208-A)
D1131B22 (SP118-A)
E1081B22 (S203-3)
E1134A22 (P202-B)
L1145B22
P1008B22 (P206-A)
P1154B22 (SP207-A)
E1151B22 (SP27-A)
K1004B22 (TB200-6P)
C1009B22 (TB200-2E)
K1006C22 (TB200-7B)
W1007B22 (TB200-3P)
W1007E22 (TB200-3W)
W1007K22 WHT (TB200-3J)
W1007K22 BLU (TB200-3E)
L1016B22 (TB200-8A)
W1043B22 (TB200-8E)
E1137A22 (TB200-8J)
E1104A22 (TB200-8N)
Q1170B22 (P250-A)
M1177B22 (J103-A)
E1172B22 (J251-D)
E1173B22 (J251-B)
J1001A22 (K104-X1)
J1071B22 (K104-A2)
J1073A22 (K104-A1)
J1075A22 (K104-X2)
W1045C22
P1035A22 (K310-X2)
P1030B22 (TB1001-2)
P1084B22 (P19-B)
W1085A22 (P19-C)
W1086A22 (P19-D)
W1099A22 (P19-M)
W1088A22 (TB200-9B)
K1160A22
E1139B22 WHT
E1139B22 BLU
E1102A22
E1258B22 WHT
E1258B22 BLU
P1125A22 WHT (AS301-1)
P1125A22 BLU (AS301-2)
E1142B22
E1140B22
H1163A22
H1164A22
K1158A22
K1159A22
E1261B22
E1161B22 WHT
E1161B22 BLU
E1162A22 WHT
E1162A22 BLU
E1259B22
E1267B22 WHT
E1267B22 BLU
Q506B22
K1056A22 (P1203-S)
W1300B22 (TB200-9G)
2
3
4
5
6
7
8
9
10
11
12
13
14
15
16
17
18
19
20
21
22
23
24
25
26
27
28
29
30
31
32
33
34
35
36
37
38
39
40
41
42
43
44
45
46
47
48
49
50
51
52
53
54
55
56
57
58
59
60
61
62
63
64
65
66
67
68
69
70
71
72
73
B
C
D
E
F
G
H
J
K
e
L
M
N
P
R
S
T
U
V
W
X
Y
Z
a
b
c
d
g
r
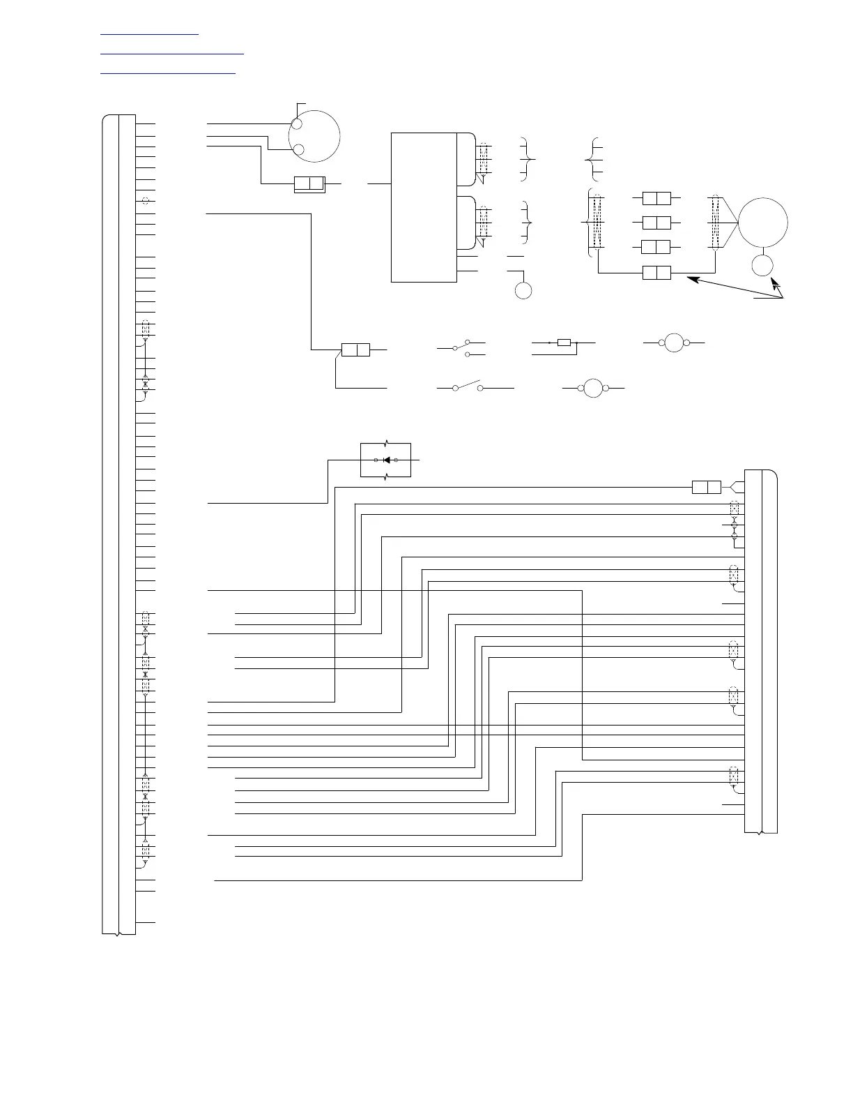
Figure 208. Fuselage Wiring Diagram (369E; 509 & Subs, 369FF; 096 & Subs
500N; 045 & Subs) (Sheet 1 of 9)

Table of Contents

Other manuals for MD Helicopters 369D

Related product manuals