EasyManua.ls Logo

MD Helicopters 369D - Page 426

MD Helicopters 369D
722 pages
Print Icon
To Next Page IconTo Next Page
To Next Page IconTo Next Page
To Previous Page IconTo Previous Page
To Previous Page IconTo Previous Page
Loading...
CSP-HMI-3 MD Helicopters, Inc.
MAINTENANCE MANUAL
[ Main Menu ]
[ HMI3 Book TOC ]
[ Chapter 96 TOC ]
Page 210
Revision 13
96-03-00
The information disclosed herein is proprietary to MD Helicopters, Inc.
Neither this document nor any part hereof may be reproduced or transferred to
other documents or used or disclosed to others for manufacturing or any other
purpose except as specifically authorized in writing by MD Helicopters, Inc.
Copyright © 19992016 by MD Helicopters, Inc.
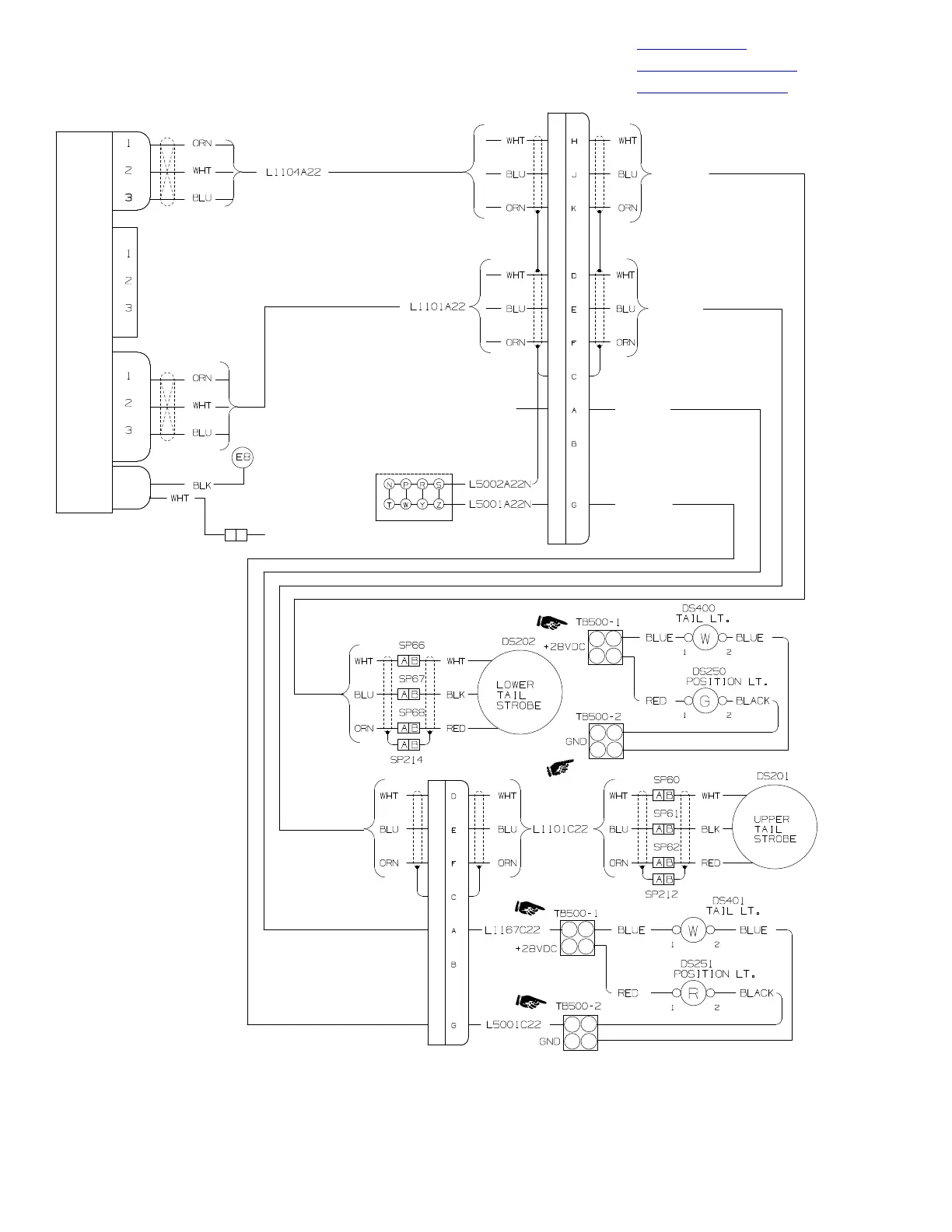
TAILBOOM AND HORIZONTAL EMPENNAGE
R/H
SIDE
L/H
SIDE
PS121
P558
STROBE POWER
SUPPLY
J557
P556
PWR S
J208P
E18
L1104B22
L1101B22
L1167B22
L5001B22
J510P
(J1201-22) L1016B22
B A
SP213
L1003B22 (J1201-3)
E
D
E
C
B
C
A
B
C
A
G96-0030-9A
Figure 201. Fuselage Wiring Diagram 600N (Sheet 9 of 14)

Table of Contents