EasyManua.ls Logo

MD Helicopters 369D - Page 429

MD Helicopters 369D
722 pages
Print Icon
To Next Page IconTo Next Page
To Next Page IconTo Next Page
To Previous Page IconTo Previous Page
To Previous Page IconTo Previous Page
Loading...
CSP-HMI-3MD Helicopters, Inc.
MAINTENANCE MANUAL
[ Main Menu ]
[ HMI3 Book TOC ]
[ Chapter 96 TOC ]
96-03-00
Page 213
Revision 13
The information disclosed herein is proprietary to MD Helicopters, Inc.
Neither this document nor any part hereof may be reproduced or transferred to
other documents or used or disclosed to others for manufacturing or any other
purpose except as specifically authorized in writing by MD Helicopters, Inc.
Copyright © 19992016 by MD Helicopters, Inc.
1
2
3
4
5
6
7
8
9
10
11
12
13
14
15
16
17
18
19
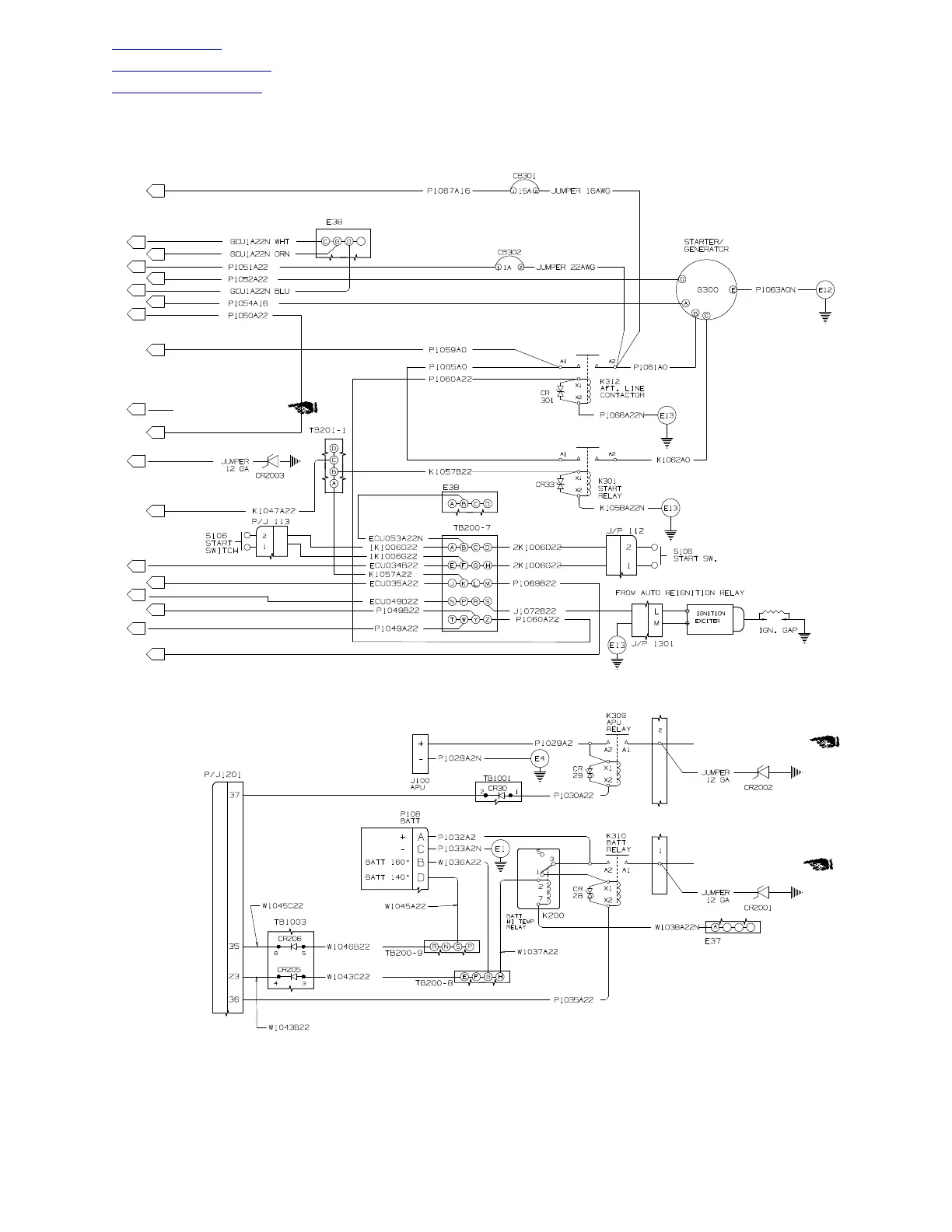
START/GENERATOR CIRCUIT (CONT.) G96-0030-12A
P2003A10 (CB119-1)
P2004A10 (CB204-1)
P205A10 (CB101-1)
Figure 201. Fuselage Wiring Diagram 600N (Sheet 12 of 14)

Table of Contents