EasyManua.ls Logo

MD Helicopters 369D - Page 428

MD Helicopters 369D
722 pages
Print Icon
To Next Page IconTo Next Page
To Next Page IconTo Next Page
To Previous Page IconTo Previous Page
To Previous Page IconTo Previous Page
Loading...
CSP-HMI-3 MD Helicopters, Inc.
MAINTENANCE MANUAL
[ Main Menu ]
[ HMI3 Book TOC ]
[ Chapter 96 TOC ]
Page 212
Revision 13
96-03-00
The information disclosed herein is proprietary to MD Helicopters, Inc.
Neither this document nor any part hereof may be reproduced or transferred to
other documents or used or disclosed to others for manufacturing or any other
purpose except as specifically authorized in writing by MD Helicopters, Inc.
Copyright © 19992016 by MD Helicopters, Inc.
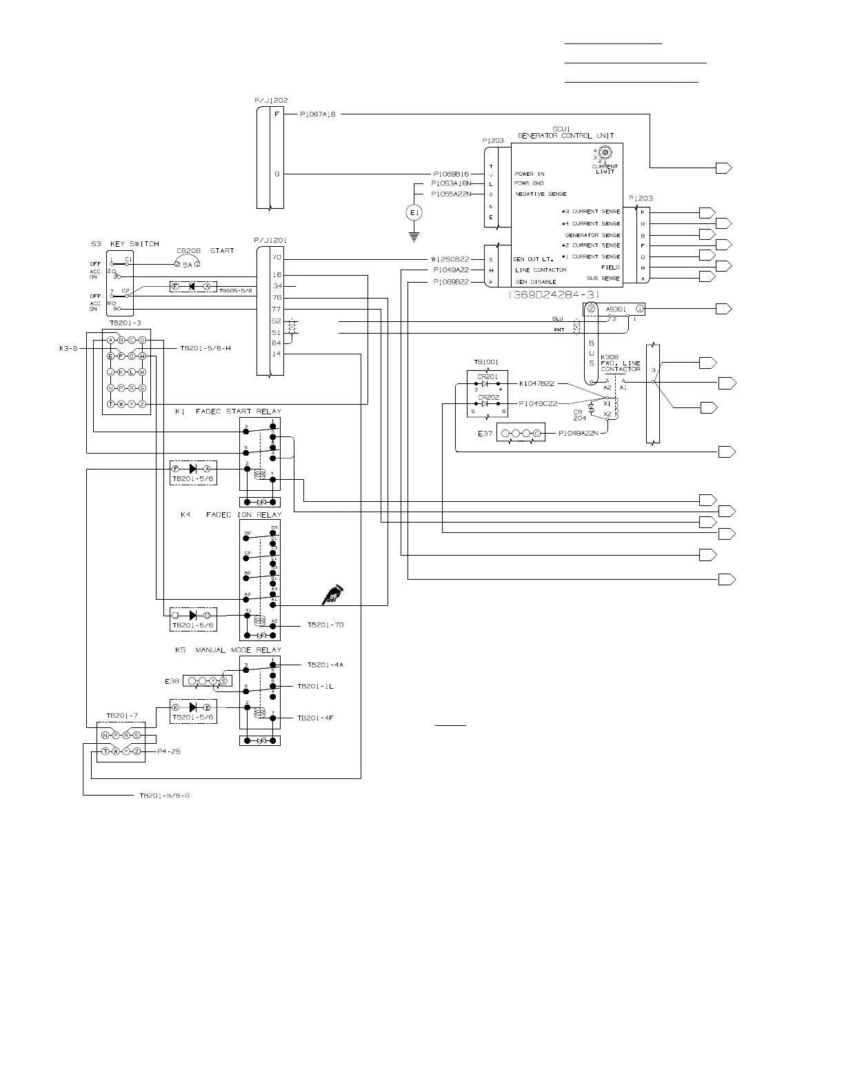
NOTES:
1. GROUND FROM ECU P2-23 MANUAL MODE.
2. GROUND SIGNAL TO MANUAL MODE
CAUT/WARN LIGHT.
3. IGNITOR RELAY GROUND FROM ECU P2-7.
4. CB103 FADEC POWER.
5. FROM VOICE/WARN LRU ENG. OUT +28 VDC.
(NOTE 1)
(NOTE 2)
(NOTE 3)
(NOTE 3)
1
2
3
4
5
6
7
8
9
12
10
11
13
14
15
16
17
18
19
START/GENERATOR CIRCUIT
G96-0030-11B
NOTE 5
P1125A22
Figure 201. Fuselage Wiring Diagram 600N (Sheet 11 of 14)

Table of Contents