EasyManua.ls Logo

Mercury MERCRUISER - Page 329

Mercury MERCRUISER
566 pages
Print Icon
To Next Page IconTo Next Page
To Next Page IconTo Next Page
To Previous Page IconTo Previous Page
To Previous Page IconTo Previous Page
Loading...
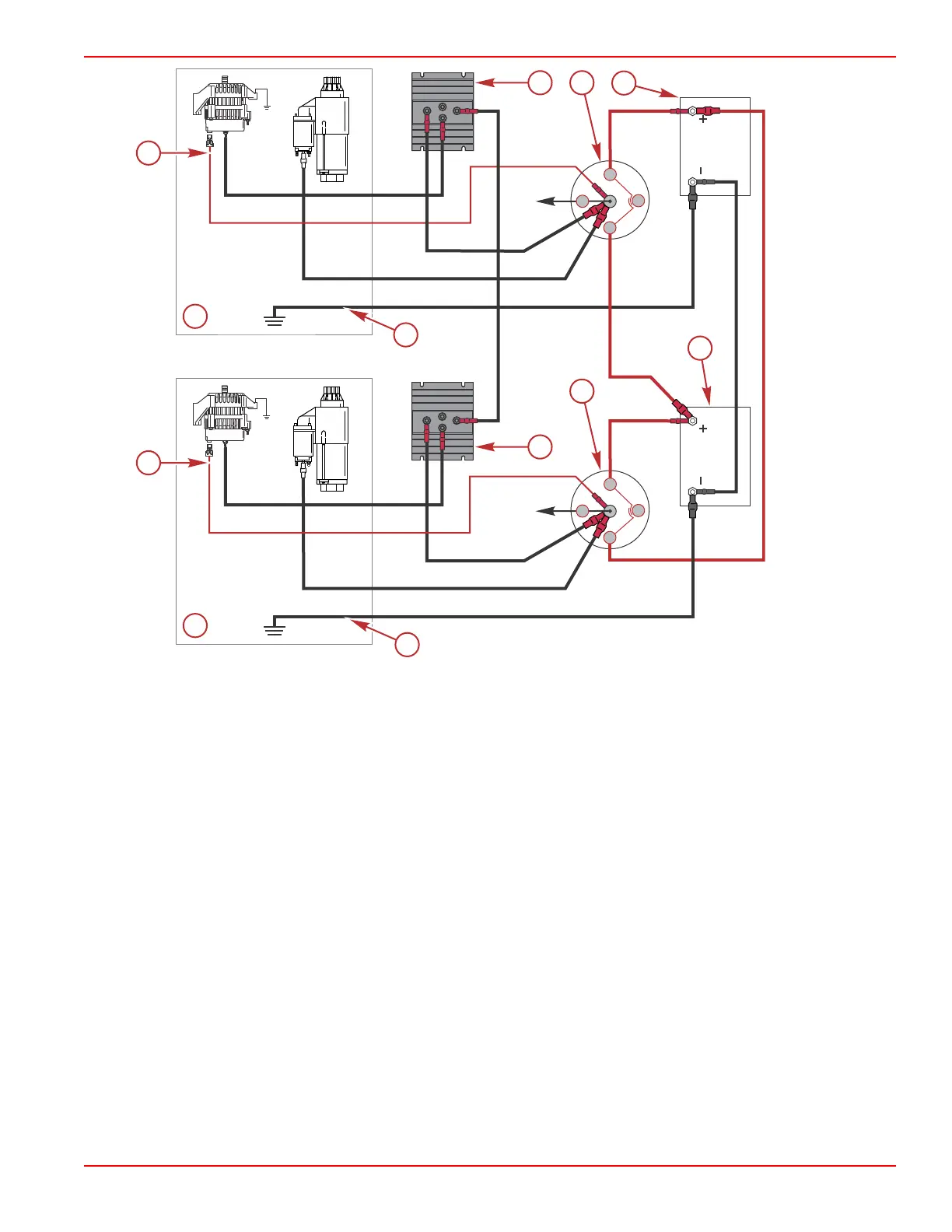
Typical dual-engine application
a - Starboard engine
b - Alternator sense wire
c - Port engine
d - Battery isolator
e - Battery disconnect switch
f - Port engine cranking battery
g - Starboard engine cranking battery
h - Engine ground
1
2
B
O
1
2
B
O
b
d
f
h
b
50588
d
h
e
e
g
a
c
Charging System
90-8M0099748 eng DECEMBER 2015 © 2016 Mercury Marine Page 4C-15

Table of Contents

Other manuals for Mercury MERCRUISER

Related product manuals