EasyManua.ls Logo

Mercury MERCRUISER - Page 480

Mercury MERCRUISER
566 pages
Print Icon
To Next Page IconTo Next Page
To Next Page IconTo Next Page
To Previous Page IconTo Previous Page
To Previous Page IconTo Previous Page
Loading...
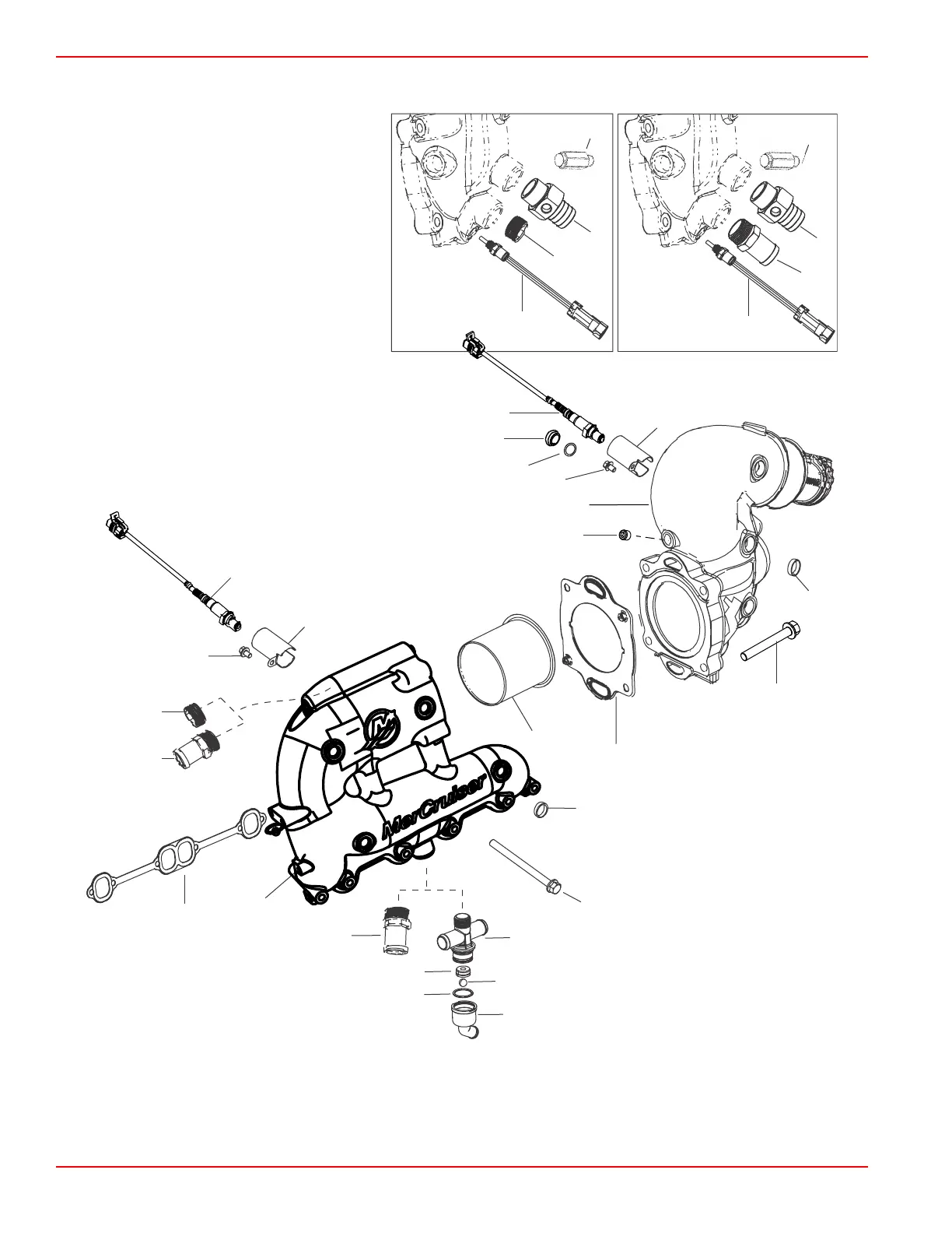
Exhaust Manifold and Elbow Exploded View
1
3
4
5
27
9
8
6
9
8
2
7
13
14
15
17
18
19
20
21
22
24
12
16
28
17
25
26
23
10
11
28
29
29
60035
Manifolds and Elbows
Page 7B-6 © 2016 Mercury Marine 90-8M0099748 eng DECEMBER 2015

Table of Contents

Other manuals for Mercury MERCRUISER

Related product manuals