EasyManua.ls Logo

Miller Multimatic 255 - Connecting Spoolmatic; Or 30 A or Spoolmate 200 Gun

Miller Multimatic 255
88 pages
Print Icon
To Next Page IconTo Next Page
To Next Page IconTo Next Page
To Previous Page IconTo Previous Page
To Previous Page IconTo Previous Page
Loading...
OM-278174 Page 30
F
Complete Parts List is available at www.MillerWelds.com
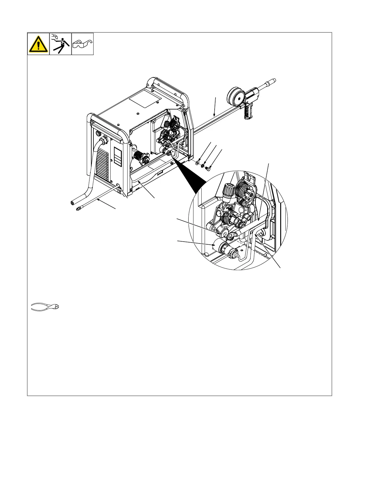
5-16. Connecting Spoolmatic
®
15A Or 30A Or Spoolmate 200 Gun
1
4
2
5
9
3
2
282999
6
7
8
3
OM-222 Page 1
allen_wrench
NGOs
tools/
flathead philips head wrench
pliers
knife
heavy-duty workclamp light-duty workclamp wirecutter frontcutter
allen_set
needlenose
steelbrush nutdriver
chippinghammer
solderiron
s
tripcrimp
drill
torque wrench
socket wrench
hammer awl file
crimper
paintbrush
feelergauge flashlight ruler
toothbrush
greasegun
qtip (swab)
vicegrip
handream
punch
filterwrench
strapwrench
airgun
solvent pinextractor eprompuller pipewrench
torque screwdriver
crescent wrench
1 Gun Trigger Plug
Insert plug into receptacle, and tighten
threaded collar.
2 Weld Cable
3 Shielding Gas Hose
Route weld cable and gas hose through
opening in panel.
4 Drive Casting
Remove the 3/4 in. bolt from the drive cast-
ing. Use bolt to connect spoolgun weld cable
to drive casting.
5 1/2-13 x 3/4 in. Bolt (282942)
6 Lock Washer (602216)
7 Washer (602247)
8 Gas Hose Routing Hole
To route gas hose through rear panel, drill 1
in. hole through bottom of rear plastic bezel.
Align drill with pilot dimple in plastic bezel
visible from inside wire drive compartment.
9 Gas Hose Fitting
Route shielding gas hose through wire drive
compartment, out opening in rear panel, and
up to regulator/flowmeter. Connect gas hose
fitting to regulator/flowmeter.

Table of Contents

Related product manuals