EasyManua.ls Logo

Miller Multimatic 255 - SECTION 11 - STICK WELDING (SMAW) GUIDELINES; 11-1. Stick Welding Procedure

Miller Multimatic 255
88 pages
Print Icon
To Next Page IconTo Next Page
To Next Page IconTo Next Page
To Previous Page IconTo Previous Page
To Previous Page IconTo Previous Page
Loading...
OM-278174 Page 62
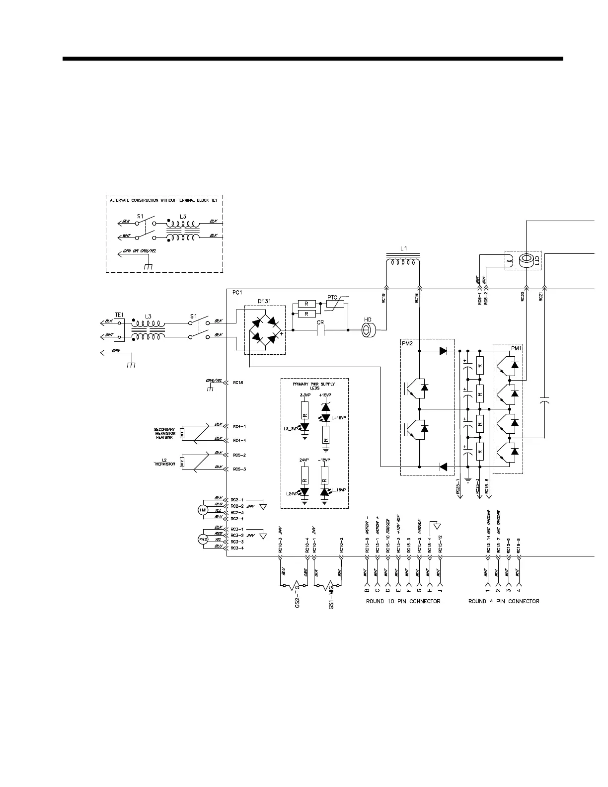
SECTION 9 ELECTRICAL DIAGRAMS
Figure 9-1. Circuit Diagram

Table of Contents

Related product manuals