EasyManua.ls Logo

Monaco 2002 Diplomat - Lp-Gas Tank; Operation; LP-Gas Tank Filling

Default Icon
324 pages
Print Icon
To Next Page IconTo Next Page
To Next Page IconTo Next Page
To Previous Page IconTo Previous Page
To Previous Page IconTo Previous Page
Loading...
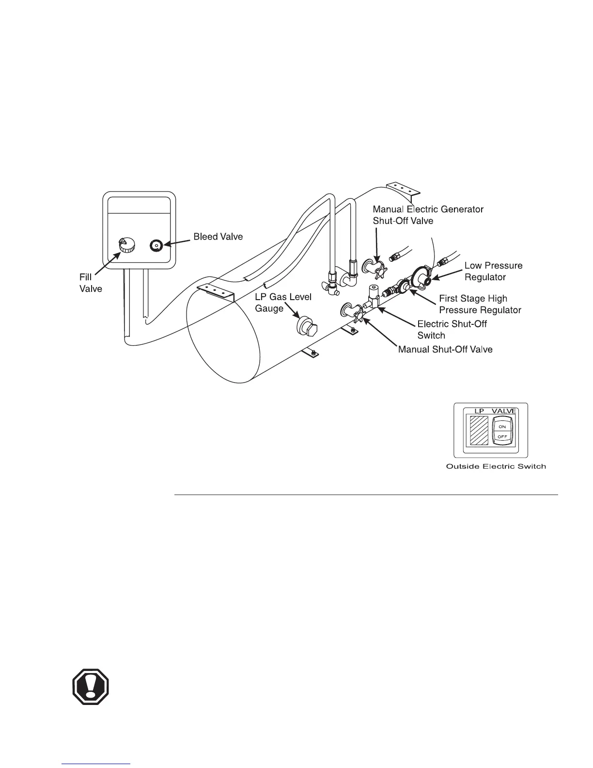
• Manually open the main shut-off valve located on the LP-Gas tank.
• Turn off the manual valve on the LP-Gas tank when the motorhome is in
between trips.
• Hand tighten the manual valve. Do not use a wrench or pliers to close the
valve.
• The manual valve is designed to be closed by hand, over tightening may
permanently damage the valve seat.
The LP-Gas electric shutoff switch is located in the LP tank compartment on
the curbside of the motorhome. The red light is illuminated when the switch is
ON.
Woodall’s Campground and Trailer Guide and other publications list refuel-
ing stations. Many travel parks sell LP-Gas. Shut off the pilot lights, appli-
ances and igniters before filling the LP-Gas tank to prevent a fire or explo-
sion. Have a trained service person fill the LP-Gas tank.
The LP-Gas tank fill is located in the LP-Gas tank access outside compart-
ment. Caution the service technician, if the tank is new and being filled for
the first time, to purge any air from the tank before filling. When the tank is
filled to the proper level there is space available for the conversion of liq-
uid into gas. If a tank is over-filled it may vent pressure. When this happens
you may detect a strong rotten egg odor near the tank and/or hear a hissing
noise.
WARNING: Turn off all pilot lights and appliances while fill-
ing the LP-Gas tank to prevent a fire or explosion.
LP-Gas Systems
------------------------------------------------------------------------------------------------------------------------------------------------------------------------------------------------------------------------------------------------------------------------------------------------------------------
DIPLOMAT 7•193
LP-GAS TANK
- Operation
LP-Gas Tank Filling
OM050236.eps
OM050238.eps

Table of Contents

Related product manuals