EasyManua.ls Logo

MSA SUPREMATouch - Page 132

MSA SUPREMATouch
309 pages
Print Icon
To Next Page IconTo Next Page
To Next Page IconTo Next Page
To Previous Page IconTo Previous Page
To Previous Page IconTo Previous Page
Loading...
MSA AUER
MSA
Installation
SUPREMATouch
131
US
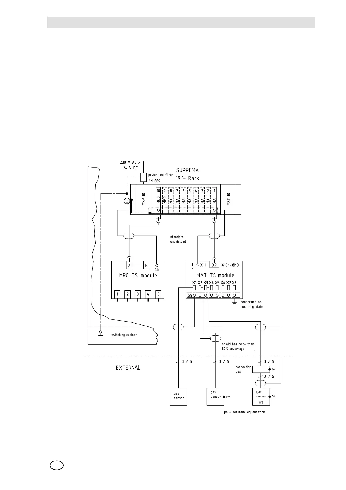
The maximum length for 40-way ribbon cables is 5 meters.
MUT Module connected to MAT TS Module
Passive/active sensor cables and analog output cables are usually screened. The cable screen is
to be connected directly, over the shortest possible distance, to the screening terminal provided.
MUT Module connected to MRC TS Module
The ribbon cable is to be screened. The cable screen is to be connected directly, over the shortest
possible distance, to the screening terminal provided.
MRC TS Module connected to MRO 16 (8) TS Module
Screened cables are not required to connect the individual relay modules.
Fig. 60 SUPREMA shielding and grounding concept

Table of Contents

Related product manuals