EasyManua.ls Logo

Panasonic DMR-E55PL - Display

Panasonic DMR-E55PL
114 pages
Print Icon
To Next Page IconTo Next Page
To Next Page IconTo Next Page
To Previous Page IconTo Previous Page
To Previous Page IconTo Previous Page
Loading...
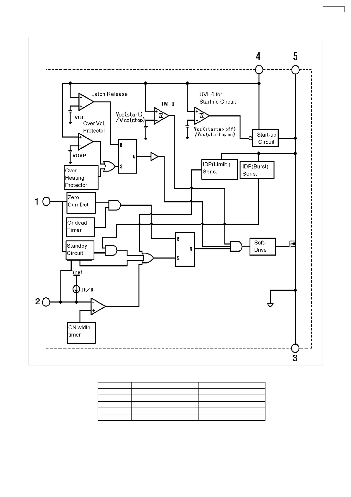
IC1150 Block Diagram
Signal name
Pin No. Name Symbol
1 Zero Current Det. Z/C
2 Feed back F/B
3 GND GND
4 Vcc Vcc
5 Drain Drain
11
DMR-E55PL

Table of Contents

Related product manuals