EasyManua.ls Logo

Panasonic DMR-E55PL - Display

Panasonic DMR-E55PL
114 pages
Print Icon
To Next Page IconTo Next Page
To Next Page IconTo Next Page
To Previous Page IconTo Previous Page
To Previous Page IconTo Previous Page
Loading...
3
2
1
FANLOCK
GND
FANDCOUT
123
12
59585554535251504948474645444342414039
10
9
7
65
4
3
2
1
H
H
<XSW 5.2V>
ERJ3GEY0R00V
LB7506
ERJ3GEY0R00V
LB7504
ERJ3GEY0R00V
LB7505
0.022
C7559
X SW 13V P
B19
B20
B21
(DISPLAY)
A2BD00000074
DP7501
F-
NX
NX
NX
NX
NX
P32
P31
P30
P29
P28
P27
P26
P25
P24
P23
P22
P21
P20
TL7502
P7503
TO FAN MOTOR
D4FAR4000001
IP7501
100
R7514
MAZ4300NLF
D7506
50V10
C7560
MA2C18500E
D7505
MA2C18500E
D7504
(TRANSFORMER)
ETS13TB119AP
T7501
47K
R7513
35V47
C7558
PGND
PDDGND
UNREG38V M
0
K7511
(POWER SAVE :ON)
2SD1994BR1VT
Q7503
3.3K
R7510
(POWER SAVE :ON)
2SD0601A0L
Q7504
47K
R7512
10K
R7511
25V220
C7555
ELESN101KA
L7502
J0JKB0000037
LB7503
50V10
C7551
B0AAGM000007
D7502
0.1
C7552
5.6
R7508
330
R7507
0.01
C7550
MAZ4240NMF
D7501
16V220
C7556
0.1
C7639
0.01
C7637
R7603 18K
R7602 820
(FAN MOTOR SWITCH)
2SD0874A0L
Q7512
B-IN
B OUT
B+IN
V+
GND
A+IN
A OUT
10K
R7601
(FAN MOTOR DRIVE)
C0ABBA000146
IC7506
10K
R7600
1
C7636
PFAN GND
A-IN
PX SW 5.2V
PD3.3V
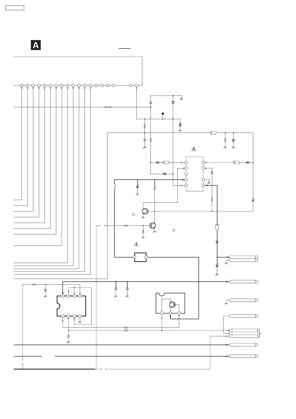
SCHEMATIC DIAGRAM - 14
MAIN (TIMER) CIRCUIT (T)
TO FAN
MOTO
R
UNIT
: +B SIGNAL LINE
4321
5678
70
DMR-E55PL

Table of Contents

Related product manuals