EasyManua.ls Logo

Panasonic DMR-E55PL - Main (Timer) Circuit (T); Display

Panasonic DMR-E55PL
114 pages
Print Icon
To Next Page IconTo Next Page
To Next Page IconTo Next Page
To Previous Page IconTo Previous Page
To Previous Page IconTo Previous Page
Loading...
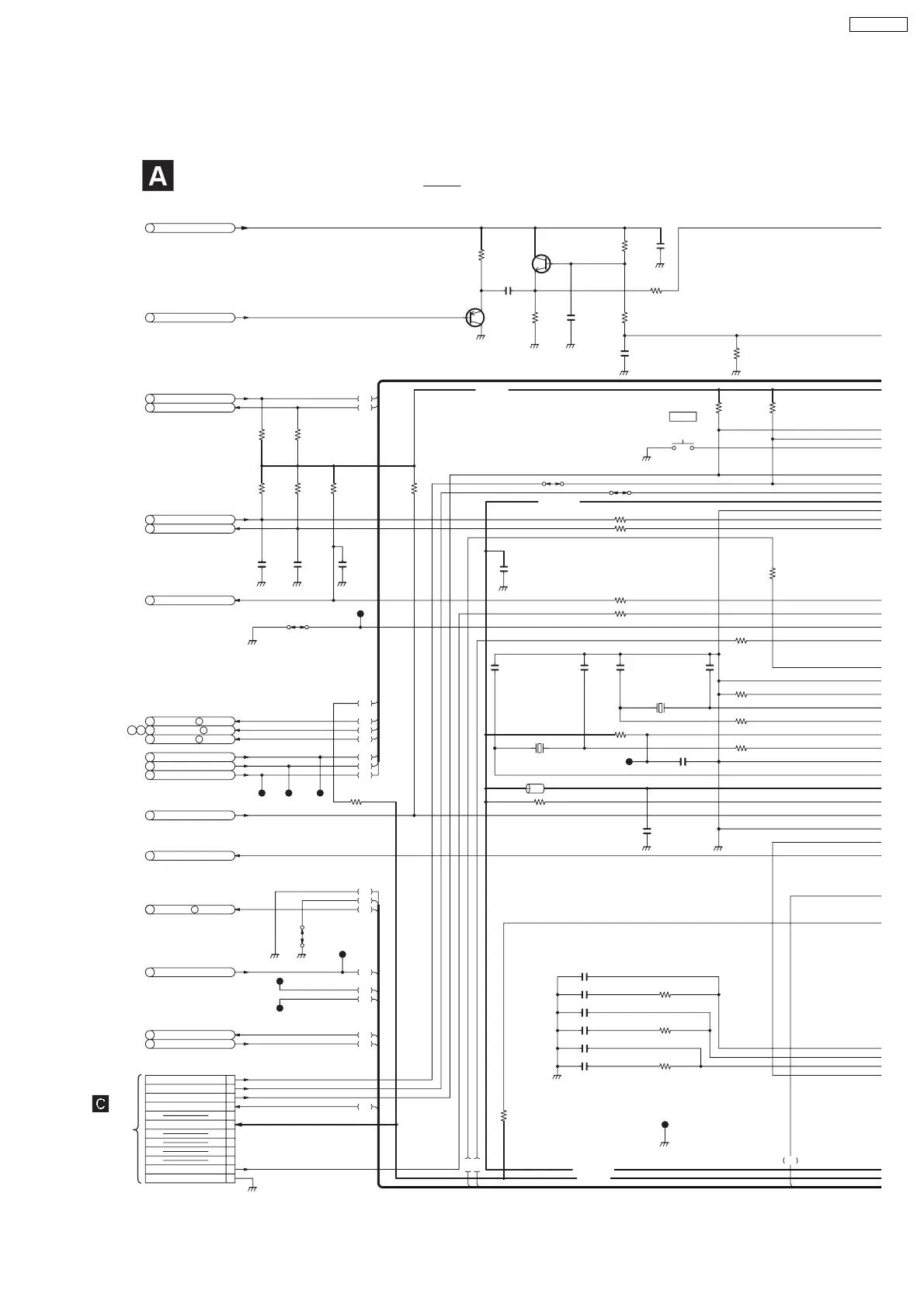
19.5. MAIN (TIMER) CIRCUIT (T)
GND
IR
N SW 5V
TWARP LED
KEYIN1
KEYIN3
KEYIN2
12
11
10
9
8
7
6
5
4
3
2
1
H
H
H
L
<NSW 5V >
< XSW 5.2V >
< XSW 5.2V >
<NSW 5V >
TL7516
TL7512
TL7508
TL7511
TL7510TL7509
R7542 10K
TL7515
POWER
B19
B18
B17
0
K7502
P7504
B11
B10
B9
B6
B5
B4
B3
B2
B1
A14
A13
A12
A10
A9
A8
A7
A6
A5
K7510 0
K7508 0
K0F111B00044
S7501
8.2K
R7590
8.2K
R7591
R7537 100
R7536 100
R7534 100
R7535 100
TL7506
K7506 0
47K
R7530
TL7507
100P
C7580
100P
C7581
100P
C7582
47K
R7531
47K
R7532
47K
R7533
47K
R7599
22K
R7529
R7551 2K
R7550 2K
R7549 510
C7601 0.1
C7600 47P
C7599 0.1
C7598 47P
C7597 0.01
C7596 47P
0.1
C7589
0.1
C7607
LB7502 ERJ3GEY0R00V
18P
C7585
18P
C7584
(10MHz)
H0D100500016
X7501
(32.768KHz)
H0A327200026
X7502
22P
C7586
15P
C7587
R7539 0
R7541 0
R7540 270K
C7588 4.7
R7538 4.7K
100
R7613
R7611 100
47K
R7584
47K
R7583
5.6K
R7522
0.1
C7567
R7516 0
C7569 0.1
1K
R7519
(AMP)
2SB0709A0L
Q7507
4.7
C7565
10K
R7520
0.1
C7566
1.5K
R7521
R7523 15K
(VREF OUT)
2SD1819A0L
Q7508
PA
UARTG2PM
M UARTP2G
METER RA
A METER L
L123 SWIDEV
JC P ONP
M POWER ON
DR P ONP
SYNC DETV
P P SAVE
A XTMUTE
M SCLK
SBPTMM
M SBMTP
XMPREQM
M XINTP
XINTMM
V SYNC IN
P JC REG5V
SCHEMATIC DIAGRAM - 11
MAIN (TIMER) CIRCUIT (T)
TO
PANEL
CIRCUIT
(P7801) ON
SCHEMATIC
DIAGRAM-33
: +B SIGNAL LINE
67
DMR-E55PL

Table of Contents

Related product manuals