EasyManua.ls Logo

Panasonic DMR-E55PL - Power Circuit

Panasonic DMR-E55PL
114 pages
Print Icon
To Next Page IconTo Next Page
To Next Page IconTo Next Page
To Previous Page IconTo Previous Page
To Previous Page IconTo Previous Page
Loading...
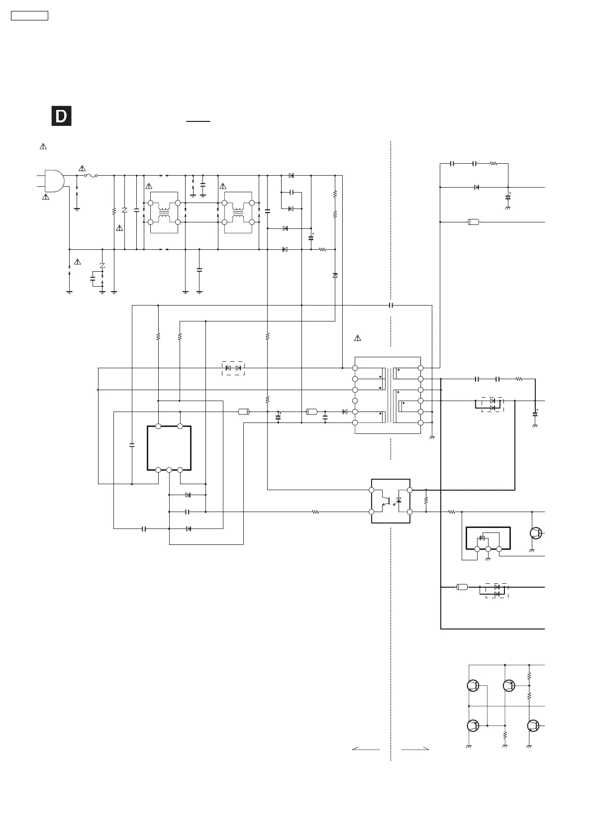
19.11. POWER CIRCUIT
2
1
3
4
S1B
S1A
S2A
S2C
S3
12
11
10
9
8
7
1
2
3
4
5
6
NC
B2
B1
P2
PT
P1
S2B
34
12
34
21
: +B SIGNAL LINE
ELF15N010A
L1
19181-2A
F1
(PHOTO COUPLER)
PS2571L1
PC1
(SWITCHING IC)
STRG6353
IC1
(POWER TRANSFORMER)
ETB28BF1U6A
T1
M2023
P1
N
A
C2
0.1
R1 1M
Z2
ERZVGAD471
ELF15N010A
L2
HOT COLD
C7
Z1 ERZVGA471
C3 0.33
C6
1000P
C1
1000P
D4
GPP20J
D3
GPP20J
D1
GPP20J
C8
D2
GPP20J
1000P
A1
C9
450V47
R10
237K
R6
237K
R7
22.1K
ZD2
MA4068N
D6
AL01Z
C15
50V0.22
L4
ELESN150KA
C13
50V22
R8
5.6K
R5
220K
R9
220K
R3
0.47
R2
680
C10
330P
ZD4
MA8051
C12
470P
D7
MA2J72800L
C14
0.22
L5
EXCELSR35
D5
ST3D200
C11
1000P
D101
RK49
C101
220P
C103
220P
R102
10
L108
EXCELDR35
C105
25V470
C102
1000P
C104
1000P
R103
10
D102
FCQ20A6
C106
10V2200P
R109
2.2K
R113
470
Q106
L101
EXCELSA35
D103
BRF1560
R104
470
R105
4.7K
R101
4.7K
R
A
C
(SWITCHING IC)
TL431AILPR
IC101
2SD602A-R
REGULATOR
Q101
2SB710AQRSTX
REGULATOR
Q102
2SB0709ARL
REGULATOR
Q103
2SD601A-R
REGULATOR
Q104
Q104
Q103
2SD601A-R
REGULATOR
Q106
SCHEMATIC DIAGRAM - 34
POWER CIRCUIT
AC IN
110-240V
50/60Hz
231
53
1
42
90
DMR-E55PL

Table of Contents

Related product manuals