EasyManua.ls Logo

Panasonic DMR-E55PL - Display

Panasonic DMR-E55PL
114 pages
Print Icon
To Next Page IconTo Next Page
To Next Page IconTo Next Page
To Previous Page IconTo Previous Page
To Previous Page IconTo Previous Page
Loading...
SECTION
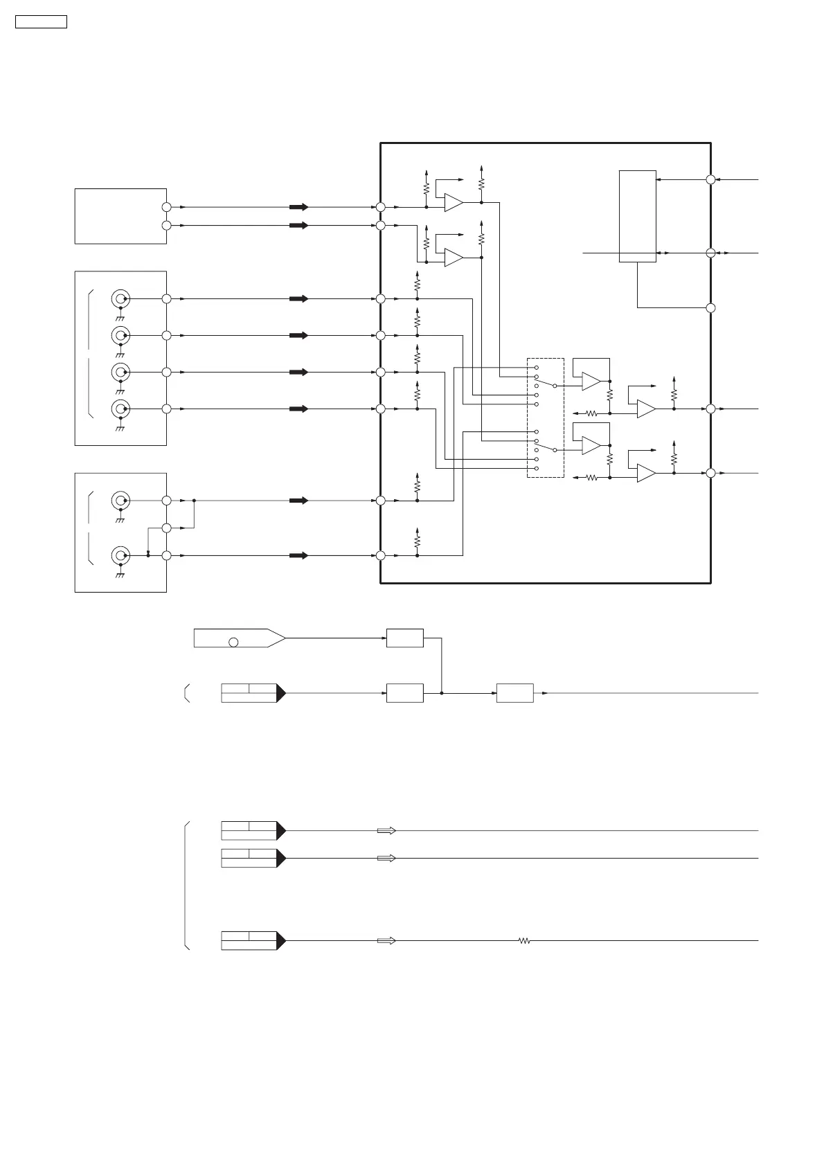
AUDIO I/O
DIGITAL P.C.B.
FROM
0.5dB 0.5dB
SELECTOR
INPUT
-6.1dB
-6.1dB
+
-
+
-
0,8,12dB 0,8,12dB
2
LOGIC
BUS
I C
+
-
+
-
+
-
+
-
17
(IC7501- )
FROM TIMER SEC.
C1AB00001920
TUIR
3
TUIL
2
OUTR
OUTL
28
29
SECTION
DIGITAL BLOCK
FROM
72
P9001 P7402 IECOUT
62
P9001 P7402 MIXLOUT DM
58
P9001 P7402 MIXROUT DM
20
XTMUTE
SWITCH
QR4001,4004
MUTE
Q4001QR4002,4003
SWITCH
70
P9001 P7402 XDMUTE
(AUDIO SOUND PROCESSOR)
SDA
SCL
FRONT2
FRONT1
EXT32
EXT22
EXT31
EXT21
31
32
14
12
13
11
21
20
2
AUDIO
L
R
L2 IN R
FRONT A/V JACK
JK3904
5
3
L2 IN L
L3 IN R
L1 IN R
L3 IN L
L1 IN L
20
19
17
16
A/V JACK
JK3901
IN R
JSB
IN R
LINE
IN L
JSB
IN L
LINE
AUDIO
TUNER R
TUNER L
27
L OUT
R OUT
26
U/V TUNER PACK
TU7401
IC4001
46
DMR-E55PL

Table of Contents

Related product manuals