EasyManua.ls Logo

Panasonic DMR-E55PL - Digital (Audio I;O) Circuit (Ai)

Panasonic DMR-E55PL
114 pages
Print Icon
To Next Page IconTo Next Page
To Next Page IconTo Next Page
To Previous Page IconTo Previous Page
To Previous Page IconTo Previous Page
Loading...
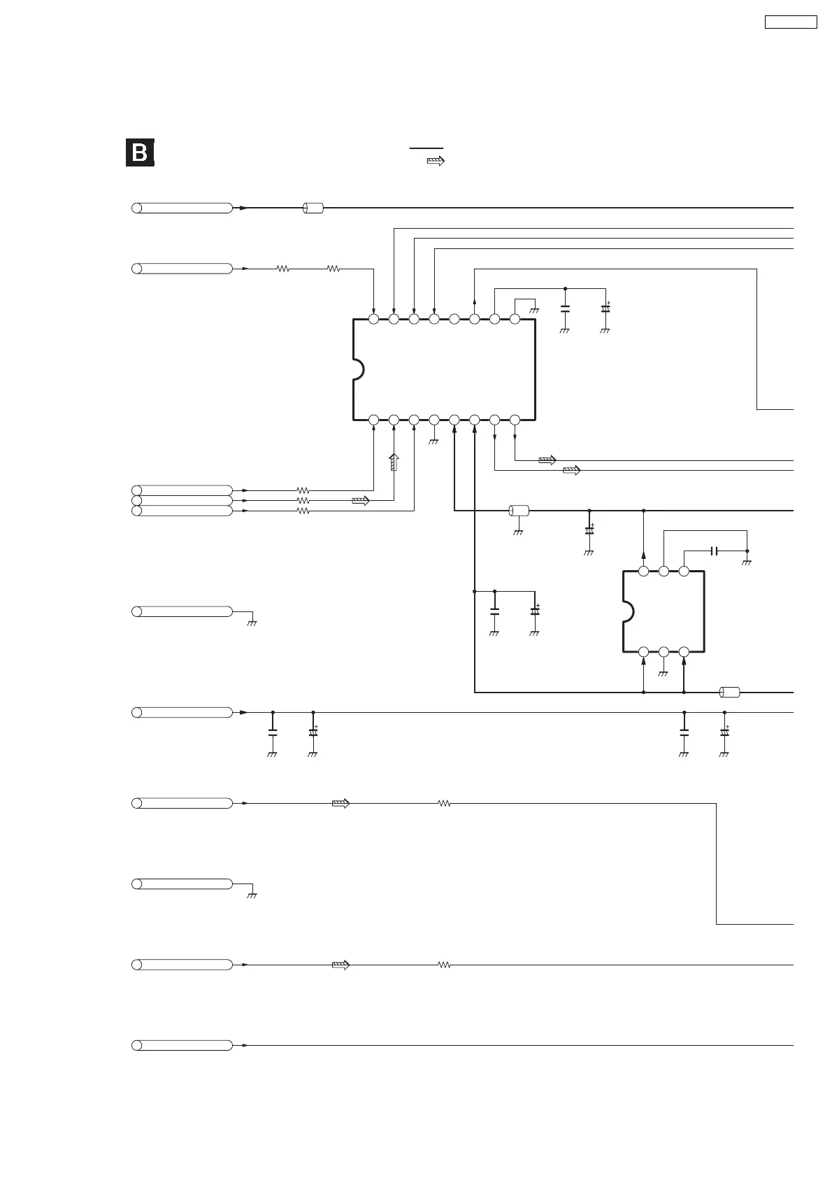
19.9. DIGITAL (AUDIO I/O) CIRCUIT (AI)
GN
DGND
GN
GN
GN
GN
GN
MC
MC
MC
EN
AUGND
XADC PD
AADC L
AADC R
AU5V
J0JHC0000032
LB4402
VIN
C4408 0.1
F1H0J4740004
FL4401
R4404 0
R4405 0
R4406 0
1DALRCK
1DADATA
1DABCK
768FS1
BCK
16V10
C4402
0.1
C4403
0
R4402
0
R4403
J0JGC0000020
LB4401
0.1
C4411
6.3V100
C4412
0.1
C4409
6.3V330
C4410
0.1
C4405
6.3V100
C4404
16V10
C4407
R4408 0
R4413 0
ON
NR
GND
OUT
GND
(REG.DAC+3.3V)
C0CBCBD00002
IC4404
AGND
VCOM
ZEROA
NC
ML
MDI
SCK
DATA
MC
DGND
VDD
VCC
VOUTL
VOUTR
LRCK
C0FBBK000035
IC4402
(AUDIO 2CH D/A CONVERTER)
GN
D3.3V
SCHEMATIC DIAGRAM - 31
DIGITAL (AUDIO I/O) CIRCUIT (AI)
: MAIN SIGNAL LINE
: +B SIGNAL LINE
8
7654321
91011121316 15 14
456
123
87
DMR-E55PL

Table of Contents

Related product manuals