EasyManua.ls Logo

Panasonic DMR-E55PL - Display

Panasonic DMR-E55PL
114 pages
Print Icon
To Next Page IconTo Next Page
To Next Page IconTo Next Page
To Previous Page IconTo Previous Page
To Previous Page IconTo Previous Page
Loading...
Pr/R/C SAG
Pr/R/C OUT
Pb/B SAG
Pb/B OUT
Py/G SAG
Py/G OUT
Y75 SAG
Y75 OUT
V75 SAG
V75 OUT
C75 OUT
V
Y
SW1
DVD R/Pr IN
DVD B/Pb IN
DVD G/Py IN
DVD Y IN
DVD C IN
2
I C-BUS CONTROL
SW A
SW2 Py/G SW
6M LPF
12M LPF
Pb/B SW
BIAS 6M LPF
BIAS 6M LPF Pr/R/C SW
CLAMP
BIAS
DRV MIX
BIAS 6M LPF
+
6M LPFCLAMP
75
75
75
75
75
75
0dB
0dB
0/6dB
MIX A
C-SW A
Y-SW A
+
MIX A
V-SW A
BIAS
BIAS
BIAS
CLAMP
CLAMP
CLAMP
CLAMP
CLAMP
CLAMP
CLAMP
113109
TO TIMER SEC.
(IC7501- , )
SCL
SDA
23
S1/S2 DET1
S1/S2 DET3
16
S1/S2 DET2
9
58
57
34
32
L123 SWIDE
Y/V OUT A
COUT A
65
69
AMP
Q7507
VIDEO A
SLICER
67
99
TO TIMER SEC.
(IC7501- )
8
DET OUT A
S1/S2 OUT
31
C/S DET2
Y2 IN
C2 IN
VIDEO2 IN
C/S DET1
Y1 IN
C1 IN
C/S DET3
Y3 IN
C3 IN
VIDEO1 IN
VIDEO3 IN
TUNER
6
7
10
5
20
21
24
13
14
17
19
12
3
35
43
51
33
47
36
37
39
27
26
29
28
30
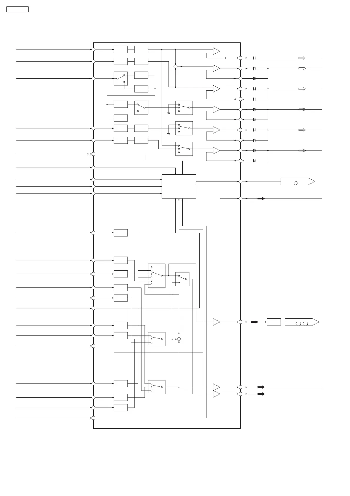
(VIDEO PROCESSOR)
IC3001
41
C1AB00001918
44
DMR-E55PL

Table of Contents

Related product manuals