EasyManua.ls Logo

Panasonic SA-BT100P - Digital P.C.B. Regulator

Panasonic SA-BT100P
174 pages
Print Icon
To Next Page IconTo Next Page
To Next Page IconTo Next Page
To Previous Page IconTo Previous Page
To Previous Page IconTo Previous Page
Loading...
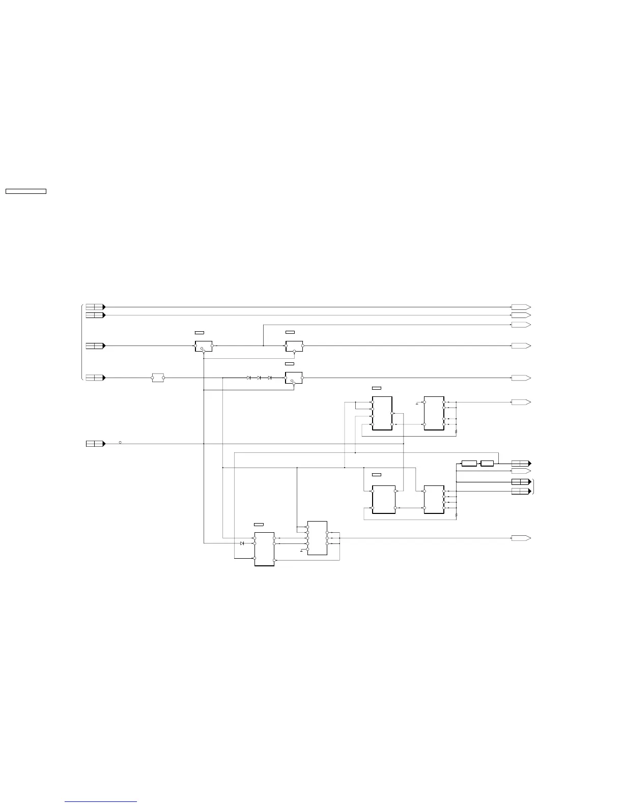
17.3. Digital P.C.B. Regulator
X SW+13V
H
P STANDBY
X SW+5.8V
ST +3.3V
ST +3.3V
28, 292, 3
P58004CN803
ADAC+5V
149
P58002CN804
SYS6V
301
P58004CN803
:ON
HDMI +3.3V REGULATOR
IC58303
1
2
3VIN VOUT
HDMI +1.2V REGULATOR
IC58304
8
5
1
VIN VOUT
HDMI+1.2V
HDMI+3.3V
CN803P58004
CN6201P58005
H
CONT
H
:ON
D+1.8V
TO DIGITAL
PW GOOD H
18 13
25 6
113
CN803P58004
TO
SYSTEM CONTROL
ST+3.3V
1219
P58004CN803
4, 5 26, 27
P58004CN803
S2
S1
D2
D2
5
6
1
D17
D18
G1
D+1.2V
2
Q58004
D58304D58303D58302
PK D+1.2V REGULATOR
3
G24
19
20VCC
LX
OUT117
CTL8
IC58003
IC58001
D58007
OUT2 15
2
IP53001
1
G
D
D
D
D
2
6
5
1S4
Q58005
SWITCHING
3FB 8
AVCC
LG
1
IC58004
DC/DC CONVERTER
13
PG10
PVCC
CTL 15
HDMI +5V REGULATOR
IC58301
5
1
4VIN VOUT
HDMI+5V
FROM
SYSTEM CONTROL
FROM POWER
6
G
D
D
D
D
2
6
5
1S4
Q58002
ST +3.3V REGULATOR
3FB 15
V IN
EXT-U
16
6
EN 1
PGOOD
7
DC DETECT
INVERTER
DC/DC CONVERTER
SA-BT100P/PC DIGITAL P.C.B. REGULATOR BLOCK DIAGRAM
C0DBAYY00317
C0DBAYY00273
C0DBAYH00003
C0CBCDD00004
C0DBEYY00016
C0DBGFD00024
Q58001 QR58001
STEP DOWN
DC/DC CONVERTER
SA-BT100P / SA-BT100PC
84

Table of Contents

Related product manuals