EasyManua.ls Logo

Piper Comanche PA-24 - TABLE VI-III. MAIN GEAR WEAR LIMITS

Piper Comanche PA-24
846 pages
Print Icon
To Next Page IconTo Next Page
To Next Page IconTo Next Page
To Previous Page IconTo Previous Page
To Previous Page IconTo Previous Page
Loading...
'-
;·e
PIPER
COMANCHE
SERVICE
MANUAL
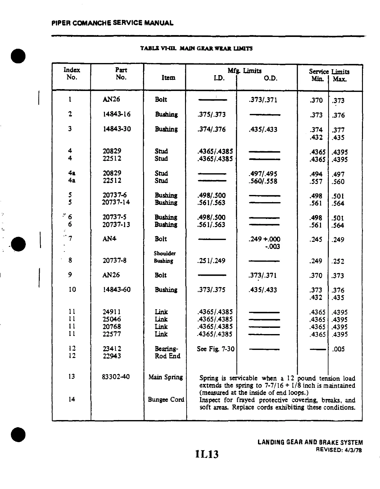
TABU
VJoIJL
MAIN GI!AR WIlAJI. UMITS
Index
Part
No. No.
Item
I
AN26
Bolt
2 14843-16
Bushing
3 14843-30
Bushing
4
20829
Stud
4
22512 Stud
4a
20829
Stud
4a
22512
Stud
5 20737-6 Bushing
5
20737-14
Bushing
."
6
20737-5
Bushing
6
20737-13
Bushing
.' 7
AN4
Bolt
Should ...
8 20737-8
BusbiDg
9 AN26
Bolt
10 14843-60 Bushing
11
24911
Link
II
25046
Link
II
20768
Link
I I
22577 Link
12
23412 Bearing-
12
22943 Rod End
13
83302-40
Main
Spring
14
Bungee Cord
Mig. Limits
Service Limits
I.D.
0.0.
Min.
Max.
.373/.371
.370
.373
.3751.373
.373
.376
.374/.376
.435/.433
.374
.377
.432
.435
.43651.4385
.4365
.4395
.43651.4385
.4365
.4395
.4971.495
.494
.497
.560/.558
.557
.560
.498/.500
.498
.501
.561/.563
.561
.564
.498/.500
.498
.501
.561/.563
.561
.564
.249+.000
.245
.249
-.003
.25 1/.249
.249
.252
.373/.371
.370
.373
.373/.375
.4351.433
.373
.376
.432
.435
.43651.4385
.4365
.4395
.43651.4385
.4365 .4395
.43651.4385
.4365
.4395
.43651.4385
.4365 .4395
See
Fig.
7-30
-
.005
Spring
is
servicable when a I 2 pound tension load
extends the spring to 7-7/!6
+ 1/8 inch
is
maintained
(measured at the inside
of
end loops.)
Inspect for frayed protective covering,
breaks, and
soft areas. Replace cords exhibiting these conditions.
lL13
LANDING
GEAR
AND
BRAKE
SYSTEM
REVISED:
4/3178

Table of Contents

Related product manuals