EasyManua.ls Logo

Piper TURBO ARROW III - Toe Brake Installation

Piper TURBO ARROW III
594 pages
Print Icon
To Next Page IconTo Next Page
To Next Page IconTo Next Page
To Previous Page IconTo Previous Page
To Previous Page IconTo Previous Page
Loading...
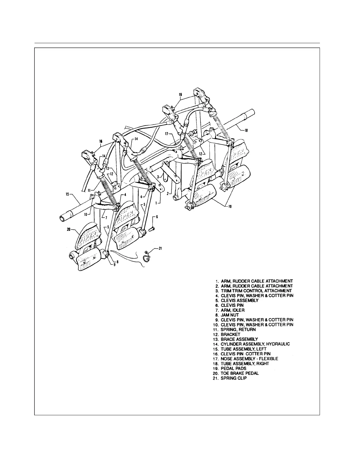
Figure 7-23. Toe Brake Installation
Revised: 2/13/89
1K20
* CHEROKEE ARROW III SERVICE MANUAL
LANDING GEAR AND BRAKE SYSTEM

Table of Contents

Related product manuals