EasyManua.ls Logo

PowerMax 500 Bearclaw - Components of Steering Bar

PowerMax 500 Bearclaw
110 pages
Print Icon
To Next Page IconTo Next Page
To Next Page IconTo Next Page
To Previous Page IconTo Previous Page
To Previous Page IconTo Previous Page
Loading...
49
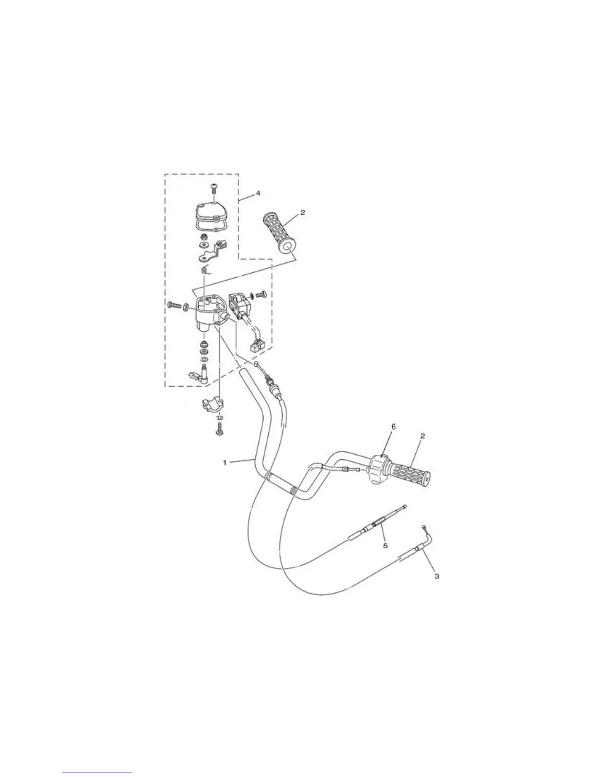
Components of Steering Bar
1Steering Bar 2steering Rubber Sheath 3air duct door pull cable 4oiler
components 5accelerator pull cable components
6left switch components

Table of Contents