EasyManua.ls Logo

PowerMax 500 Bearclaw - Structure of Carburetor

PowerMax 500 Bearclaw
110 pages
Print Icon
To Next Page IconTo Next Page
To Next Page IconTo Next Page
To Previous Page IconTo Previous Page
To Previous Page IconTo Previous Page
Loading...
40
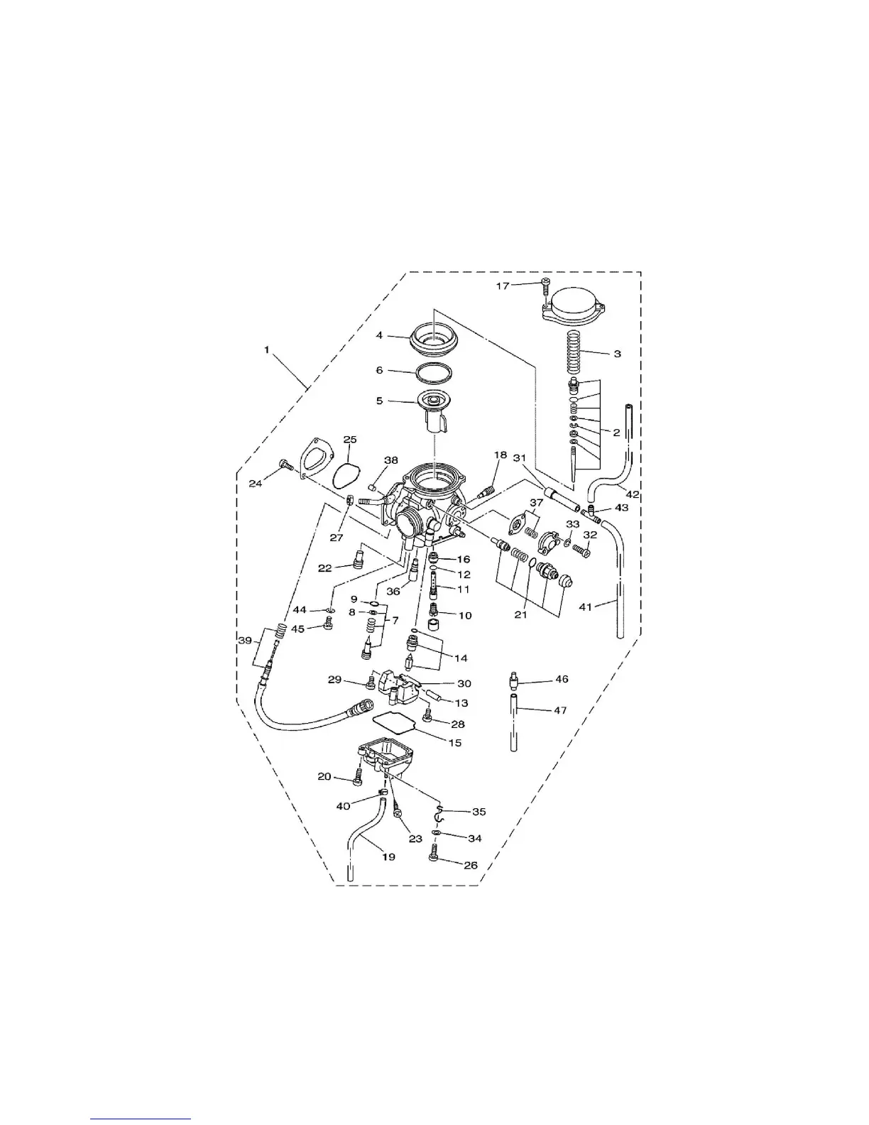
3.9 carburetor
3.9.1 Structure of carburetor

Table of Contents