EasyManua.ls Logo

Ricoh C211 - Circuit

Ricoh C211
769 pages
Print Icon
To Next Page IconTo Next Page
To Next Page IconTo Next Page
To Previous Page IconTo Previous Page
To Previous Page IconTo Previous Page
Loading...
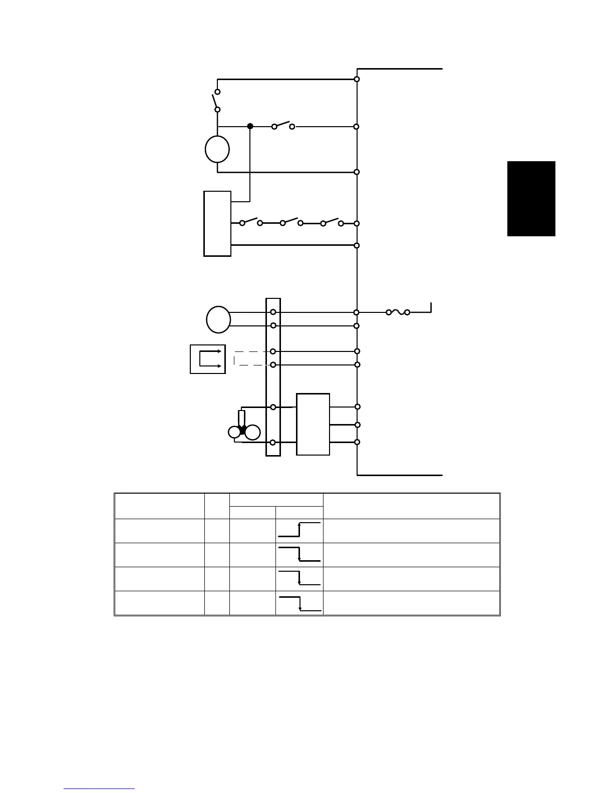
2.2 CIRCUIT
Component Name I/O
ID Conversion Board
Description
CN No
MSW: Drum
Rotation
I 104-30
When the drum rotation SW is pressed,
CN104-30 goes to 24V.
Ink Supply SOL O 102-16
When the solenoid is turned on,
CN102-16 goes to 0V.
Drum Release SOL O 104-35
When the drum position sensor 1 is
deactuated, CN104-35 goes to 0V.
Ink Detection PCB I 104-9
When there is no ink on the ink roller,
CN104-9 goes to 0V.
SOL
COM
NC
NO
SOL
7
8
1
2
5
6
CN102
-43
CN102
-41
CN104
-9
GND
Ink Detection
-12 V
GND
SIG: Color Drum
24 V
2 A
CN102-45
CN102-16
CN104-3
CN104-14
Main Board
Ink Detection
Board
MSW: Drum Rotation
CN104-40
CN104-30
+24 V
CN102-46
CN104-39
CN104-35
Scanner
Safety SW
Ink Petection
Pin
Color
Drum
Ink Supply
Solenoid
Drum
Rotation
SW
Drum
Release
Solenoid
Drum
Safety SW
Safety SW = IN
Safety SW = OUT
0V
24V
0V
24V
0V
24V
0V
12V
Detailed
Descriptions
C216 2-7 SM

Table of Contents

Related product manuals