EasyManua.ls Logo

Ricoh C211 - Thermal Head

Ricoh C211
769 pages
Print Icon
To Next Page IconTo Next Page
To Next Page IconTo Next Page
To Previous Page IconTo Previous Page
To Previous Page IconTo Previous Page
Loading...
2.2 THERMAL HEAD
(1) Specifications
The VT2200 uses a 300 dpi thermal head.
Thermal head
Width 256 mm
Number of thermal head elements 3072 dots
Density of thermal head elements 300 dpi
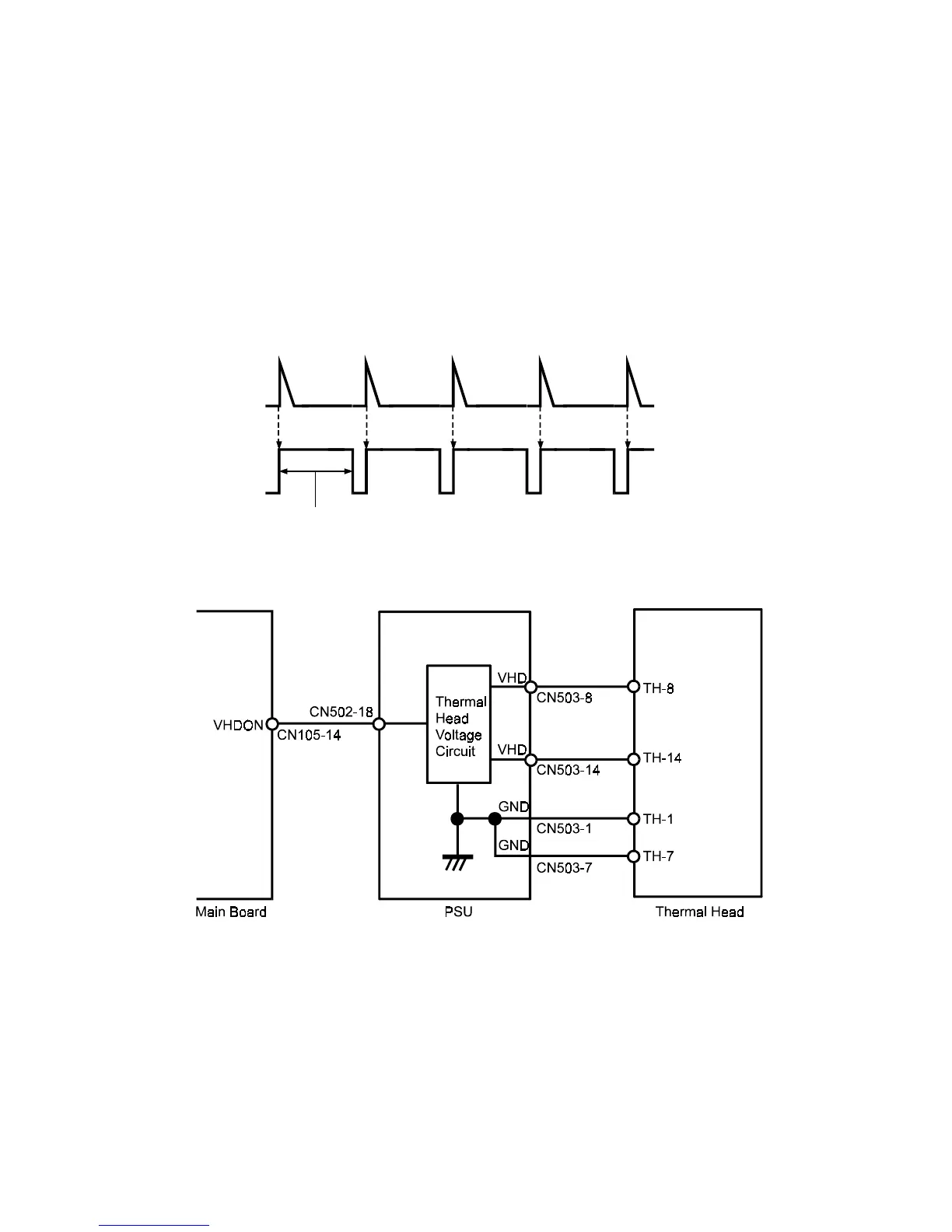
(2) Thermal Head Control
The PSU applies the thermal head voltage which is preset at the factory
to match the individual thermal head characteristics. The main control
PCB controls the thermal head to reproduce the image on the master.
The thermal head energy is controlled by changing the pulse width.
The pulse is controlled by the signal, ENL on the main board to correspond
to the signal, ENLTRIG from the image processing board.
Thermal head voltage is only applied from the PSU during the master
making process. This is controlled by the signal, VHDON (CN105-14) from
the main board.
ENLTRIG
ENL
Pulse width
C224 2-4 SM

Table of Contents

Related product manuals