EasyManua.ls Logo

Robustel R5020 - DI;DO Interface

Robustel R5020
178 pages
Print Icon
To Next Page IconTo Next Page
To Next Page IconTo Next Page
To Previous Page IconTo Previous Page
To Previous Page IconTo Previous Page
Loading...
Robustel R5020 User Guide
RT_UG_R5020_v.1.0.2 Mar. 17, 2023 26/167
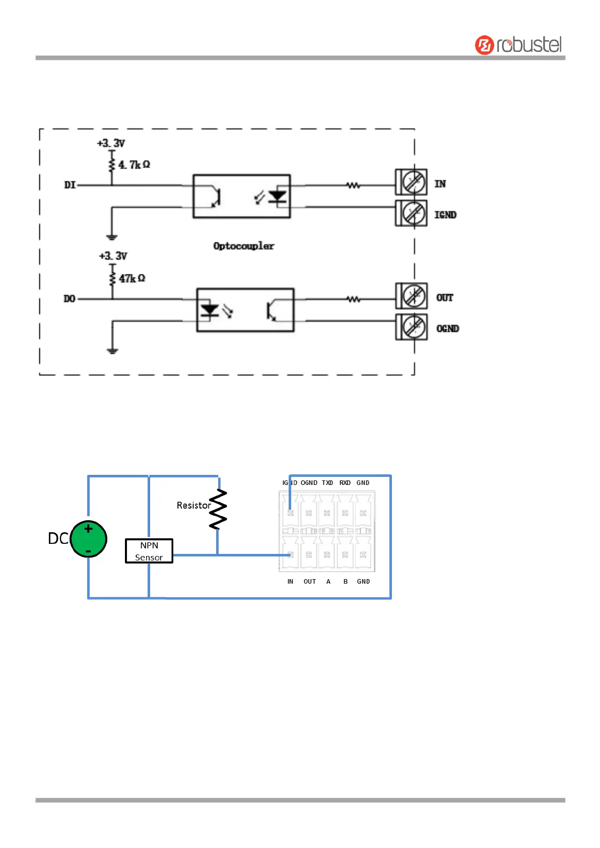
2.13 DI/DO Interface
The R5020 supports 1 channel DI and 1 channel DO by default. It can support 2 channels of DI or 2 channels of DO by
BOM modification. DI signal access, can be used for NPN/PNP type sensor signal or switch signal acquisition, power
supply can only be accessed from IN, not reversed. DO signal output, can be used for NPN/PNP sensor control.
1. Application mode of DI connected with NPN sensor
IN corresponds to IN on 2*5 3.5mm interface, and IGND corresponds to IGND on 2*5 3.5mm interface. The voltage
range of external power supply (DC) is 3V ~ 30V. The internal flow of the device is limited. In the normal voltage
range, the external power supply does not need to be limited.
Notes: The above example NPN Sensor is a DC three-wire NPN photoelectric switch or proximity switch.

Related product manuals