EasyManua.ls Logo

RoentDek DLD40 - Page 24

RoentDek DLD40
83 pages
Print Icon
To Next Page IconTo Next Page
To Next Page IconTo Next Page
To Previous Page IconTo Previous Page
To Previous Page IconTo Previous Page
Loading...
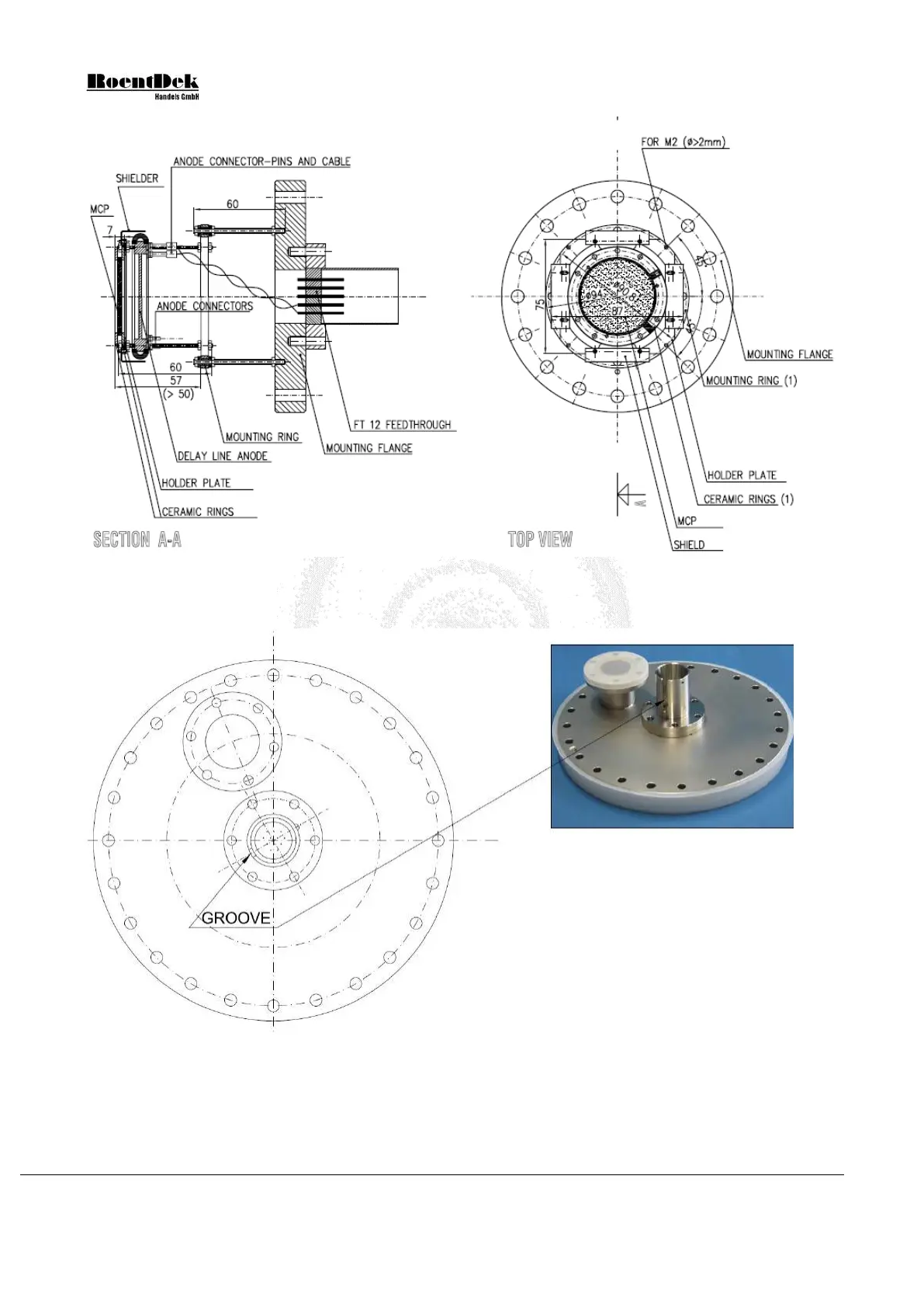
Figure 2.1: Sketch of the detector with mounting flange (only flange mounting option, here: FT12TP/100). For
connecting a Hexanode, the same 12-pin feedthrough is used and an additional set of at least 3 MHV or SHV
feedthroughs (e.g. the FT4) is needed for connecting the MCP front, MCP back, Holder (and optionally a mesh).
Figure 2.2: CF200 flange with two CF35 ports for mounting a Hex80 detector. It is recommended to fix the FT12 12-
pin feedthrough on the center port in an orientation that the groove points perpendicular (or as close to that as
possible) to the direction of the off-center port. This avoids spatial conflicts that can occur for certain item
combination in the FT16TP product package.
Page 24 of 83 MCP Delay Line Detector Manual (11.0.1304.1)

Table of Contents