EasyManua.ls Logo

Rotex GW-30 C22 - Instalace; Rozměry Instalace

Rotex GW-30 C22
Print Icon
To Next Page IconTo Next Page
To Next Page IconTo Next Page
To Previous Page IconTo Previous Page
To Previous Page IconTo Previous Page
Loading...
10
4 INSTALACE
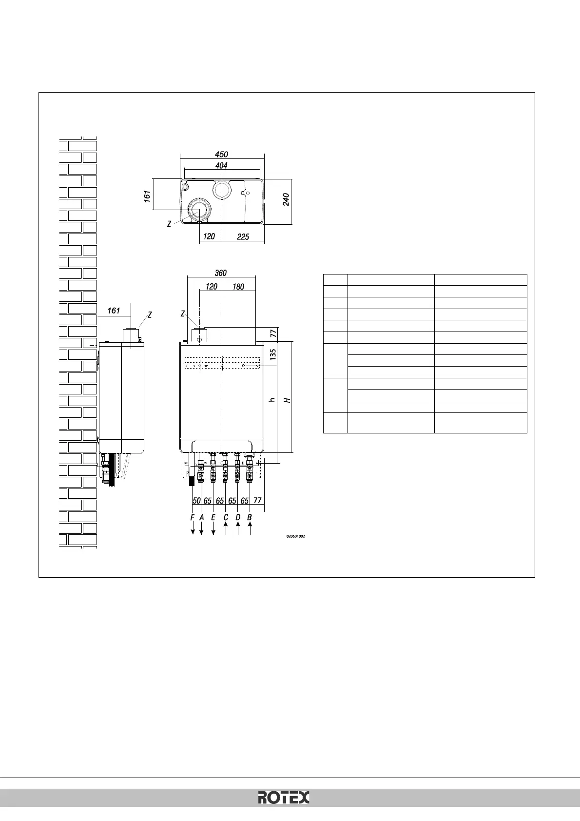
4.1 Rozměry instalace
Jednotka s potrubím připojeným vespod:
Jednotka + nástěnný montážní pás
A =
Přívod ÚT
G ¾(vněj.)
B =
Vratné ÚT
G ¾(vněj.)
C =
Plyn
G ½(vnitř.)
D =
Stude voda
R ½
E =
Teplá voda
R ½
F =
Odtok kondenzátu
Ø dn25 (flexibilní)
h=
517 mm
RKOMBG22AAV1
577 mm
RKOMBG28AAV1
637 mm
RKOMBG33AAV1
H=
590 mm
RKOMBG22AAV1
650 mm
RKOMBG28AAV1
710 mm
RKOMBG33AAV1
Z =
Vývod spalin/přívod
vzduchu
Ø60/100 (koncentrický)

Table of Contents

Related product manuals