EasyManua.ls Logo

Rotex GW-30 C22 - Page 65

Rotex GW-30 C22
Print Icon
To Next Page IconTo Next Page
To Next Page IconTo Next Page
To Previous Page IconTo Previous Page
To Previous Page IconTo Previous Page
Loading...
12
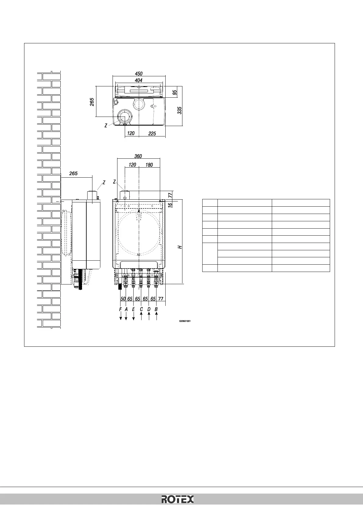
Unit connected to B-pack:
Unit + B-pack
A =
Supply CH
G ¾(ext)
B =
Return CH
G ¾(ext)
C =
Gas
G ½(int)
D =
Tap water cold
R ½
E =
Tap water warm
R ½
F =
Condense outlet
Ø dn25 (flexible)
H=
770mm
RKOMBG22AAV1
830mm
RKOMBG28AAV1
890mm
RKOMBG33AAV1
Z =
Flue gas outlet/air inlet
Ø60/100 (concentric)

Table of Contents

Related product manuals