EasyManua.ls Logo

SAMES KREMLIN Cyclomix Evo - Gun Overview Complete Option

SAMES KREMLIN Cyclomix Evo
169 pages
Print Icon
To Next Page IconTo Next Page
To Next Page IconTo Next Page
To Previous Page IconTo Previous Page
To Previous Page IconTo Previous Page
Loading...
123
Member of Exel group
DRT582165110
A - 2023/03
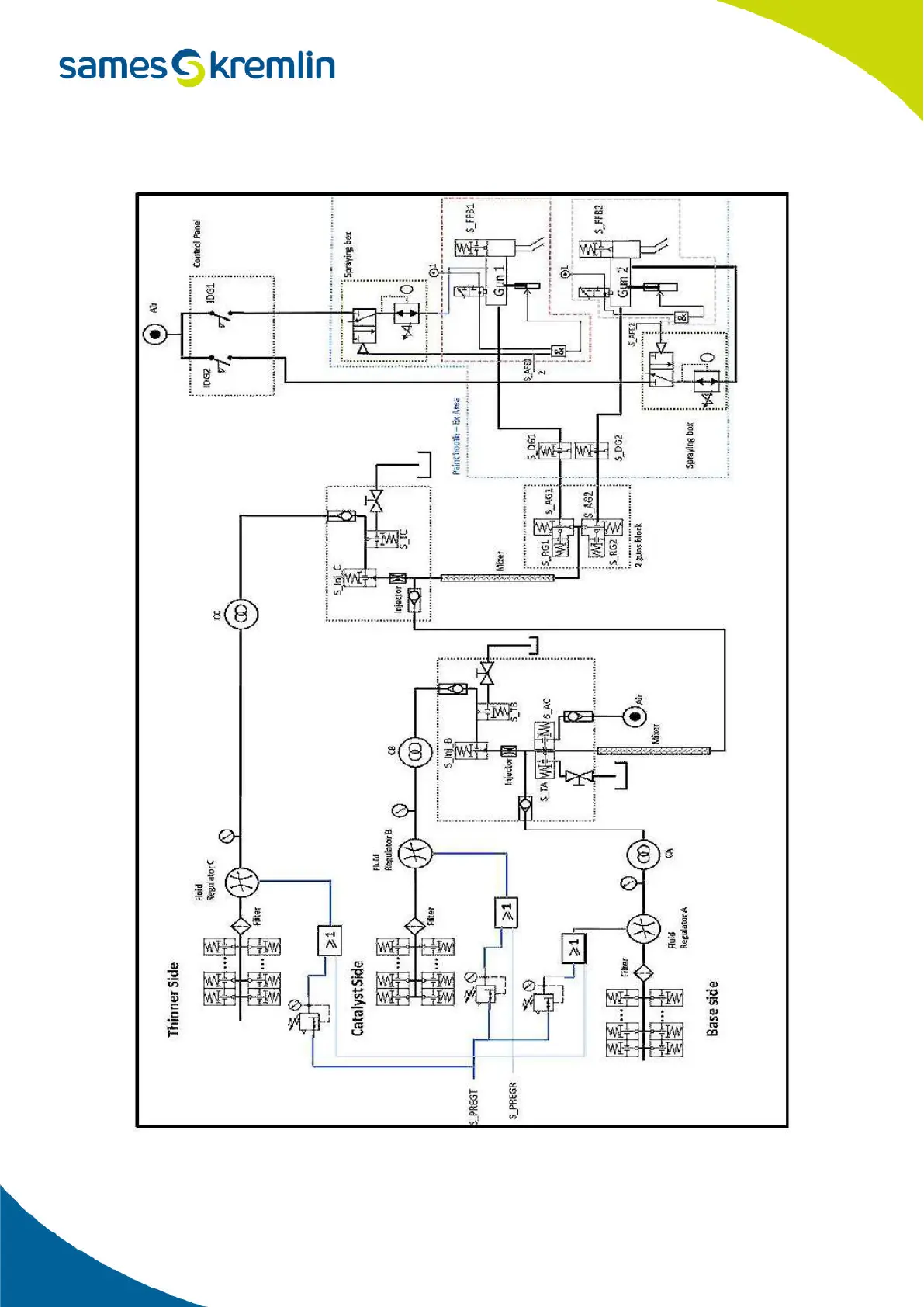
5.2.15. 3K gun overview complete option

Table of Contents