EasyManua.ls Logo

Samson TROVIS 5500 - Page 53

Samson TROVIS 5500
164 pages
Print Icon
To Next Page IconTo Next Page
To Next Page IconTo Next Page
To Previous Page IconTo Previous Page
To Previous Page IconTo Previous Page
Loading...
EB 5573-1 EN 53
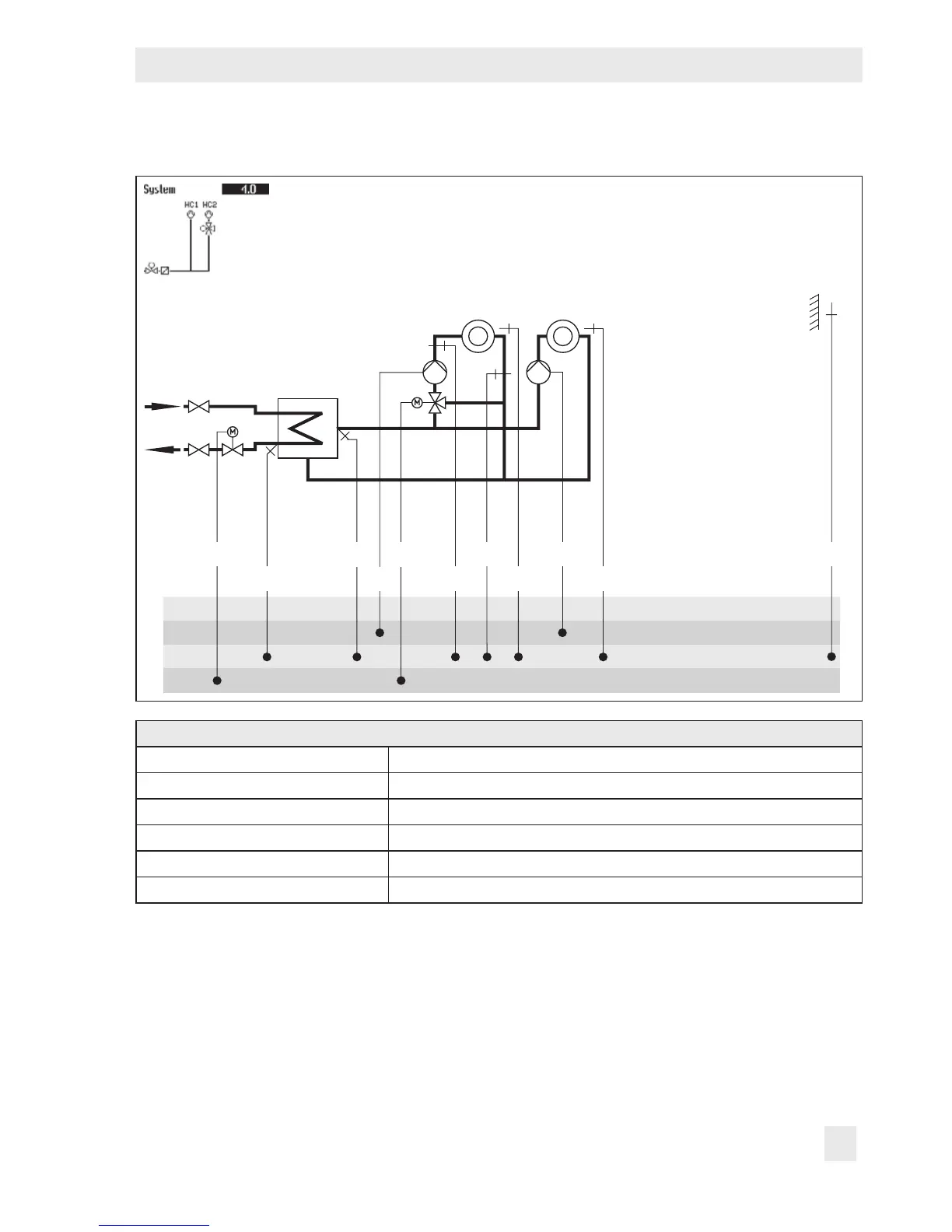
Systems
System Anl 4.0
BE
BA
AE
RK
AF1
RüF1
VF1
UP2
RK2RK1/Y1
RF2
VF2
RüF2
RF1
UP1
Default settings
CO1 > F01 - 0 (without RF1)
CO1 > F02 - 1 (with AF1)
CO1 > F03 - 1 (with RüF1)
CO2 > F01 - 0 (without RF2)
CO2 > F03 - 0 (without RüF2)
CO5 > F07 - 0 (without error indication at terminal 23)

Table of Contents