EasyManua.ls Logo

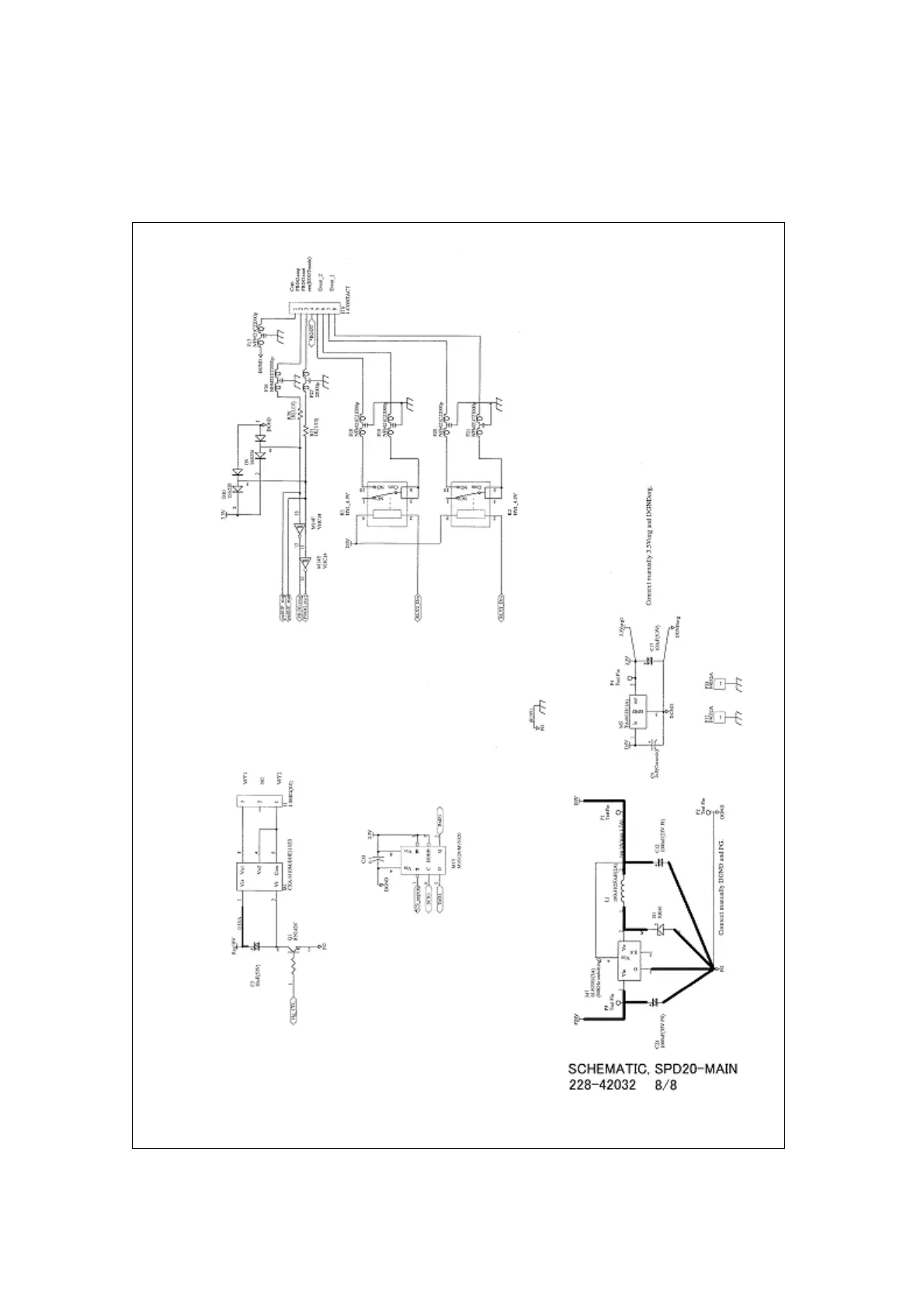
Shimadzu SPD-20A - Circuit Diagram, SPD20-MAIN 8;8

Shimadzu SPD-20A
70 pages
Print Icon
To Next Page IconTo Next Page
To Next Page IconTo Next Page
To Previous Page IconTo Previous Page
To Previous Page IconTo Previous Page
Loading...
228-90095F
5
9
9.3.8 Circuit diagram, SPD20-MAIN 8/8

Table of Contents