EasyManua.ls Logo

Siemens SIPROTEC 4 7SD80 - Page 50

Siemens SIPROTEC 4 7SD80
416 pages
To Next Page IconTo Next Page
To Next Page IconTo Next Page
To Previous Page IconTo Previous Page
To Previous Page IconTo Previous Page
Loading...
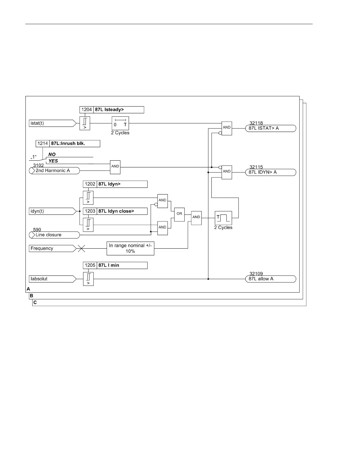
If the pickup is successful, an internal pickup signal is transmitted to the other device.
The element Ιdyn is blocked if the frequency deviates by more than 10 % from the rated frequency.
The function is blocked if the communication between the two devices at the ends of the protected object
fails for more than two measuring cycles.
This function can also be blocked via binary input
>87L block
.
The following figure shows the formation of the phase-specific pickup of the elements 87L Isteady> and
87L Idyn>.
[lo-pvl-anr-20101117, 1, en_US]
Figure 2-5
Logic diagram of the phase comparison protection, phase-selective generation of the Ιstat and
Ιdyn signal
The pickup signals created locally, signs of idyn and istat and the blocking information are sent to the device at
the opposite end.
Functions
2.2 Phase Comparison Protection and Ground Differential Protection
50 SIPROTEC 4, 7SD80, Manual
E50417-G1100-C474-A2, Edition 02.2018

Table of Contents

Related product manuals