EasyManua.ls Logo

Simrad AP26 - Page 106

Simrad AP26
122 pages
Print Icon
To Next Page IconTo Next Page
To Next Page IconTo Next Page
To Previous Page IconTo Previous Page
To Previous Page IconTo Previous Page
Loading...
Technical Specifications
20222147A 105
Display:
Type:................................. Backlit LCD matrix display
Resolution:........................ 80 x 32 pixels
Color:......................................... Black
Illumination: .............................. Adjustable in 10 steps
Environmental Protection:......... IP56 from front, IP43 from back.
Safe distance to compass:.......... 0.3 m (1.0 ft.)
Temperature:
Operating: ......................... 0 to +55 °C (+32 to +130 °F)
Storage:............................. –30 to +80 °C (–22 to +176 °F)
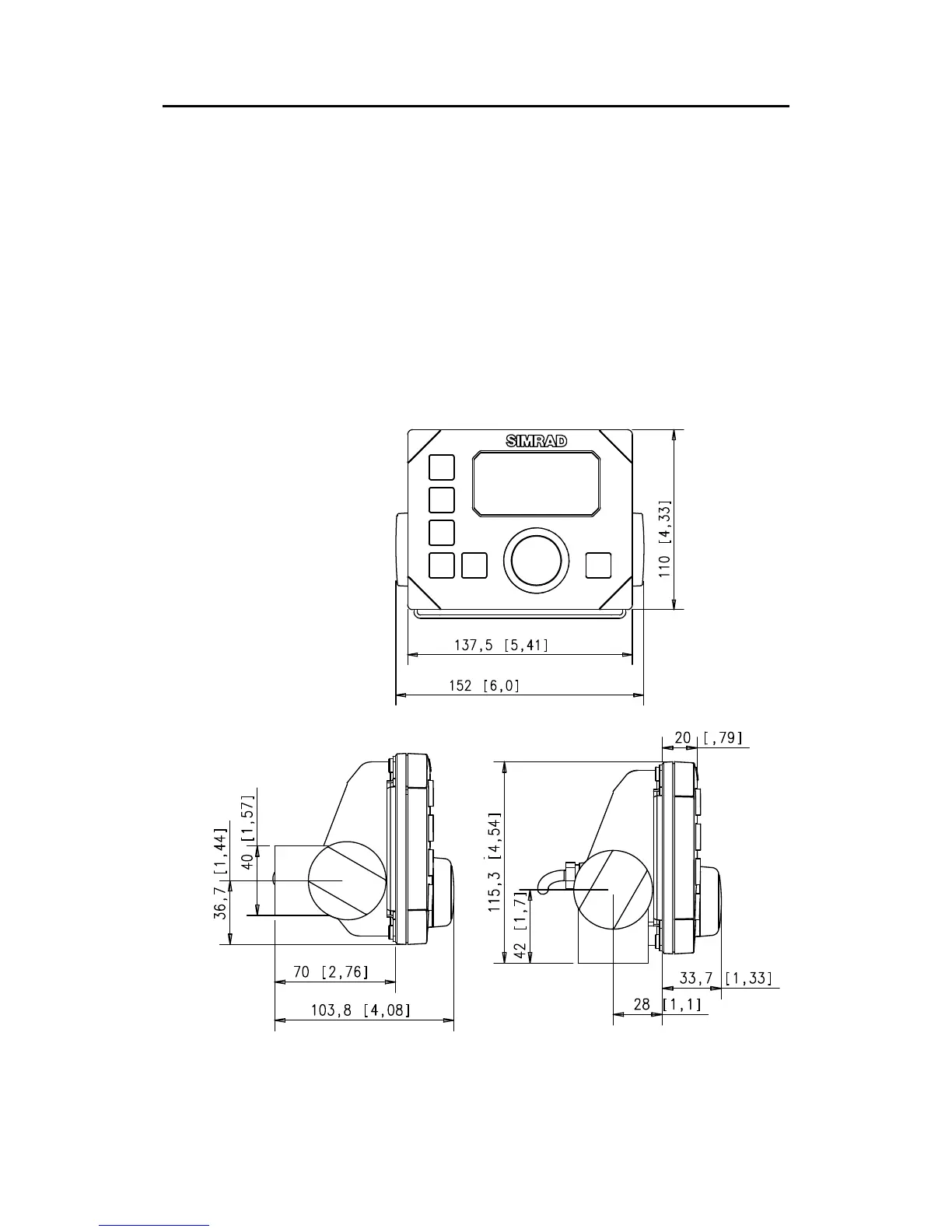
Figure 8-1 AP26 Control Unit – dimensions
(Mounting bracket is optional equipment)

Table of Contents

Other manuals for Simrad AP26

Related product manuals