EasyManua.ls Logo

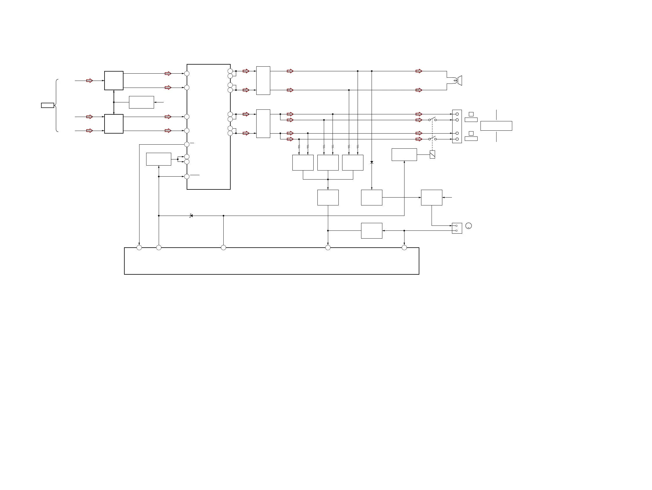
Sony HCD-GT3D - SECTION 6 DIAGRAMS; 6-3. BLOCK DIAGRAM - AMP Section -

Sony HCD-GT3D
96 pages
Print Icon
To Next Page IconTo Next Page
To Next Page IconTo Next Page
To Previous Page IconTo Previous Page
To Previous Page IconTo Previous Page
Loading...
HCD-GT3D
HCD-GT3D
3535
6-3. BLOCK DIAGRAM - AMP Section -
D1008
D1017
OVERLOAD
DETECTION
Q1016, Q1017
OVERLOAD
DETECTION
Q1003, Q1004
OVERLOAD
DETECTION
Q1015, Q1014
FAN MOTOR
DRIVER
Q1010
FAN RESET
SWITCH
Q1023
DC
DETECTION
Q1006
L1006
2
21
M2
15
20
M1
POWER AMP
IC1001
OUT_A_52
52
OUT_A_53
53
OUT_B_44
44
OUT_B_45
45
5
INPUT_B
4
INPUT_A
11
INPUT_D
10
INPUT_C
L1007
OUT_C_36
36
OUT_C_37
37
OUT_D_28
28
OUT_D_29
29
TB001
MID/TWEETERS
IMPEDANCE USE 2ȍ
L
GREY
R
LOUDSPEAKER
PURPLE
+
-
+
-
RY001
RELAY DRIVER
Q1021
FAN
PROTECTION
Q1011
AMP RESET
SWITCH
Q1018, Q1019
PRE AMP
IC1005
PRE AMP
IC1004
BIAS
Q1022
SD
RESET
+12V
M+13V
M
DC FAN
CN1004
1
2
SW
FRONT-L
FRONT-R
SYSTEM CONTROLLER
IC101
(3/4)
/AMP-RESET
120
EVOL_CLK/RELAY_CONTROL
129
SD-FAST
56
AMP-PROTECT
78
FAN_DET
82
>001B
AUDIO/VIDEO
SECTION
(Page 34)
SLgQaO SaWK
F : AUDIO (ANALOG)

Table of Contents

Related product manuals