EasyManua.ls Logo

Sony HCD-GT3D - SECTION 6 DIAGRAMS; 6-12. SCHEMATIC DIAGRAM - MOTHERBOARD Board (7;10) -

Sony HCD-GT3D
96 pages
Print Icon
To Next Page IconTo Next Page
To Next Page IconTo Next Page
To Previous Page IconTo Previous Page
To Previous Page IconTo Previous Page
Loading...
HCD-GT3D
HCD-GT3D
4646
1
A
B
C
D
E
F
G
H
I
J
K
2 3 4 5 6 7 8 9 10 11 12 13 14 15 16 17
C003 22
C052 22
C049 22
C051
0.1
C030
10
C062 0.1
C019
10
C013 0.1
C068 0.1
C032 10
C039 0.1
C021
10
C004 22
C006 22
C077 22p
C078 22p
C080
22p
C081
22p
C050 22
C053 22
C005 22
C017 0.1
C040
0.1
C079 0.1
C035
1
C014
0.1
C034 0.1
C018 0.1
C036
1
C085 0.1
C072 100 10V
C057 100 16V
C100 1
C101 1
A+13V_GV2
JL040
JL047
JL003
JL046
JL026
JL067
JL041
JL001
JL048
L002
2.2uH
L007
2.2uH
L001
4.7uH
L006
4.7uH
L008
2.2uH
L003
2.2uH
L004
2.2uH
Q004
KTA1542T-RTK/P
+13V PWR SUPPLY
PWR SUPPLY
CONTROL
Q461
KRC402-RTK
R043 22k
R059
68k
R023
56k
R031
10k
R002
12k
R003 33k
R020
0
R006
10k
R033
3.3k
R029
68k
JC004
JC003 0
0
JC007 0
JC008 0
R087 0
R041 12k
R024
2.2k
R035
3.3k
JC001 0
JC002 0
R085 47
VBUS-OE
M+13V
PCONT-PSAVE-PROTECT
A+13V
MGND
AVDD+5V
DGND
E+1.18V
E+3.3V
AVDD+3.3V
AVDD+9V
M+5.2V
USB+5V
CE
GND VOUT
VDD
3
4
2
1
VOUT
GND
VINVOUT
GND
VIN
5.1
9.1
9.113.6
0.1
12.9
13.6
13.7
3.3
IC008
MM3411A33URE
+3.3V REG
IC008
IC006
78D05AG-TN3-R
+5V REG
IC006
IC004
78D09AG-TN3-R
+9V REG
IC004
E
JC005 0
JC006 0
VIN1
VBST1
SW1
PGND1
EN1
PG1
VFB1
GND
VREG5
VFB2
PG2
EN2
PGND2
SW2
VBST2
VIN2
1
2
3
4
5
6
7
8
16
15
14
13
12
11
10
9
TPS542941PWPR
IC001
DC-DC CONVERTER
IC001
VIN1
VBST1
SW1
PGND1
EN1
PG1
VFB1
GNDVREG5
VFB2
PG2
EN2
PGND2
SW2
VBST2
VIN2
16
15
14
13
12
11
10
9
1
2
3
4
5
6
7
8
TPS542941PWPR
IC002
DC-DC CONVERTER
IC002
34
31
15
9
21
22
32
33
26
AGND
10
13
4
30
11
PCONT-BTSTBY
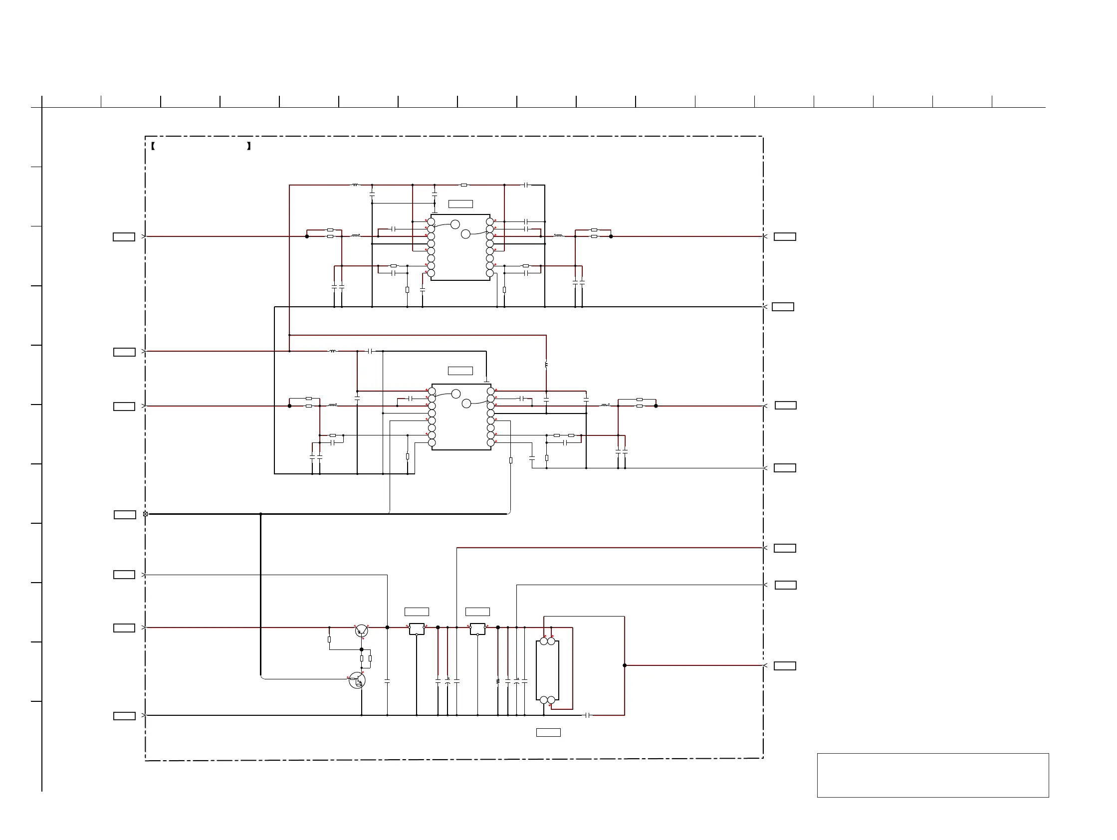
MOTHERBOARD BOARD (7/10)
>030S
MOTHERBOARD
BOARD
(2/10), (6/10),
(8/10), (9/10),
(10/10)
(Page 41), (Page 45),
(Page 47), (Page 48),
(Page 49)
>004S
MOTHERBOARD
BOARD
(1/10)
(Page 40)
>013S
MOTHERBOARD
BOARD
(2/10), (4/10)
(Page 41), (Page 43)
>032S
MOTHERBOARD
BOARD
(10/10)
(Page 49)
>026S
MOTHERBOARD
BOARD
(4/10)
(Page 43)
>034S
MOTHERBOARD
BOARD
(9/10)
(Page 48)
>022S
MOTHERBOARD
BOARD
(3/10)
(Page 42)
>009S
MOTHERBOARD
BOARD
(1/10)
(Page 40)
>033S
MOTHERBOARD
BOARD
(10/10)
(Page 49)
>031S
MOTHERBOARD
BOARD
(2/10), (10/10)
(Page 41), (Page 49)
>021S
MOTHERBOARD
BOARD
(2/10), (3/10)
(Page 41), (Page 42)
>011S
MOTHERBOARD
BOARD
(9/10)
(Page 48)
>015S
MOTHERBOARD
BOARD
(2/10), (4/10),
(6/10), (10/10)
(Page 41), (Page 43),
(Page 45), (Page 49)
>010S
MOTHERBOARD
BOARD
(1/10), (2/10),
(3/10), (4/10),
(10/10),
(Page 40), (Page 41),
(Page 42), (Page 43),
(Page 49)
5.1
5.13.4
13.7
13.7
9.2
10.4
3.4
5.1
13.7
3.4
0.9
1
5.8
13.7
13.7
7
9.2
1.2
3.4
13.7
13.7
0.9
0.9
5.8
3
4
2
1
6-12. SCHEMATIC DIAGRAM - MOTHERBOARD Board (7/10) -
• See page 37 for Waveforms.
Note : IC001 and IC002 on the MOTHERBOARD board
cannot exchange with single. When these parts on
the MOTHERBOARD board are damaged, exchange
the entire mounted board.

Table of Contents

Related product manuals