EasyManua.ls Logo

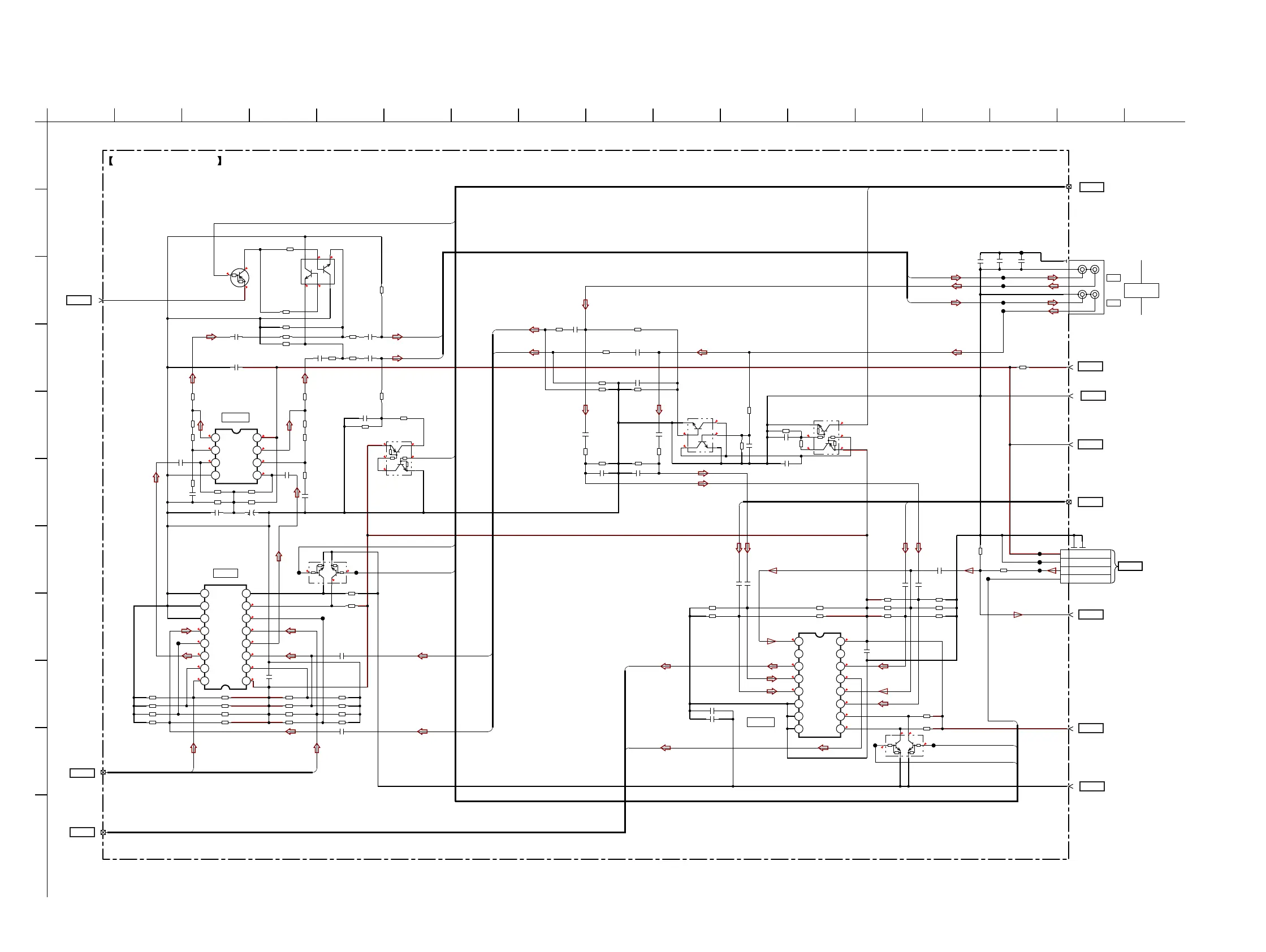
Sony HCD-GT3D - SECTION 6 DIAGRAMS; 6-6. SCHEMATIC DIAGRAM - MOTHERBOARD Board (1;10) -

Sony HCD-GT3D
96 pages
Print Icon
To Next Page IconTo Next Page
To Next Page IconTo Next Page
To Previous Page IconTo Previous Page
To Previous Page IconTo Previous Page
Loading...
HCD-GT3D
HCD-GT3D
4040
1
A
B
C
D
E
F
G
H
I
J
K
2 3 4 5 6 7 8 9 10 11 12 13 14 15 16 17
C616
0.1
C643 10pC641 10p
4.7C637
4.7C638
4.7
C658
4.7
C661
C651
0.1
C662 4.7
C606
0.1
4.7
C631
C607 0.1
C612
4.7
C601
4.7
4.7
C766
2.2
C628
2.2
C660
4.7
C767
C629
10
47
C620
47
C621
10
C627
10C917
C980
220p
0.1
C1002
0.001
C1001
10
C626
4.7
C647
4.7
C652
4.7
C657
68k
R913
4.7
C650
JL635
CN601
4P
MIC DET1
MIC SIGNAL
MIC SIGNAL
2
MIC GND3
A+9V4
X0
Y0
J602
4P
JL614
JL611
JL632
JL609
JL604
JL605
JL601
JL603
JL613
JL616
JL620
JL619
JL615
JL602
LTA014EUBFS8TL
Q606
MUTING
XP4501
Q605
BIAS DETECTION
RN1902
AUDIO SELECTOR
DRIVER
Q604
RN1902
AUDIO SELECTOR
DRIVER
Q611
RN4902(T5RSONY,D,F)
BIAS SET
Q603
RN4902 (T5RSONY, D, F)
Q607
BIAS DETECTION
IMX25T110
MUTING
Q602
R633 47k
R700
22k
68k
R644
R634 1M
R639
47k
56k
R671
120k
R686
R647 47k
R636 47k
100R750
4.7k
R916
4.7k
R915
470kR912
470kR911
47kR694
100
R752
47kR684
2.2kR625
R615 470k
1MR681
0
R982
R608 4.7k
47k
R697
R602 47k
R607 470k
100
R751
47kR682
27k
R642
R611 47k
6.8k
R756
R603 47k
R613 1M
R612 47k
47kR666
1MR665
47kR696
R646 1M
R645 47k
R610 47k
27k
R649
R604 47k
4.7kR628
4.7kR627
R616 4.7k
C605 47 6.3V
R692
22k
68k
R600
150k
R689
1MR658
R648 47k
120k
R685
47kR659
6.8k
R653
15k
R641
22kR650
1k
R711
R621
0
R606
0
1MR693
680kR663
R635 47k
47k
R698
R716 1k
56k
R662
100
R753
68k
R914
680kR669
2.2kR624
R605 1M
TUNER-L
AGND
VCC5V
DGND
ANALOG-BSEL
LINK-OUT-A
D+3.3V
1
TUNER-R
LINK-SET
/LINE-MUTE
A+9V
ANALOG-ASEL
LINK-OUT-B
MIC-DET
LINK-DET
2.2C665
150kR651
C656 0.22
C966 0.22
LINEOUT LEFT
LINEOUT LEFT
LINEOUT RIGHT
LINEOUT RIGHT
GUEST R
4.7
C602
GUEST L
GUEST L
GUEST R
L
R
7
8
9
4
5
6
2
3
11
OUT
-
+
GND
+
-
OUT
VCC
1
2
3
4
5
6
7
8
IC601
BA4558F
OP AMP
IC601
IC602
SN74LV4052APWR
AUDIO SELECTOR
IC602
1
Y0
2
Y2
3
Y
4
Y3
5
Y1
6
INH
7
GND
8
GND
9
B
10
A
11
X3
12
X0
13
X
14
X1
15
X2
16
VCC
1
Y0
2
Y2
3
Y
4
Y3
5
Y1
6
INH
7
GND
8
GND
9
B
10
A
11
X3
12
X0
13
X
14
X1
15
X2
16
VCC
IC605
SN74LV4052APWR
AUDIO SELECTOR
IC605
0
R792
AVDD+9V
10
MOTHERBOARD BOARD (1/10)
>037S
MIC
BOARD
CN3200
(Page 57)
>002S
MOTHERBOARD
BOARD
(3/10)
(Page 42)
>001S
MOTHERBOARD
BOARD
(2/10), (3/10),
(4/10), (8/10),
(10/10)
(Page 41), (Page 42),
(Page 43), (Page 47),
(Page 49)
>010S
MOTHERBOARD
BOARD
(7/10)
(Page 46)
>011S
MOTHERBOARD
BOARD
(9/10)
(Page 48)
>009S
MOTHERBOARD
BOARD
(7/10)
(Page 46)
>008S
MOTHERBOARD
BOARD
(3/10)
(Page 42)
>007S
MOTHERBOARD
BOARD
(2/10)
(Page 41)
>006S
MOTHERBOARD
BOARD
(3/10)
(Page 42)
>003S
MOTHERBOARD
BOARD
(4/10)
(Page 43)
>005S
MOTHERBOARD
BOARD
(2/10), (3/10),
(4/10)
(Page 41), (Page 42),
(Page 43)
AUDIO
PARTY CHAIN
L
IN
IN
OUT
OUT
R
>004S
MOTHERBOARD
BOARD
(2/10), (3/10),
(4/10), (5/10),
(6/10), (7/10),
(8/10), (9/10),
(10/10),
(Page 41), (Page 42),
(Page 43), (Page 44),
(Page 45), (Page 46),
(Page 47), (Page 48),
(Page 49)
9.1
0
0
0.2
00.1
3.4
0 0.1
4.6
4.5
4.5
4.6
5.1
5.1
5.1
0
0
0
5.1
3.4
5.1
5.1
0
5.1
0
0
3.4
3.4
4.6
4.4
0
2.4
2.6
2.6
2.6
2.6
2.6
2.6
2.6
2.6
5.1
2.6
5.1
2.6
0.3
2.6
2.5
2.4
2.6
0.2
3.4
2.4
0
0
3.4
0
0
6-6. SCHEMATIC DIAGRAM - MOTHERBOARD Board (1/10) -
• See page 59 for IC Block Diagrams.
Ver. 1.1

Table of Contents

Related product manuals