EasyManua.ls Logo

Sony HCD-GT3D - SECTION 6 DIAGRAMS; 6-17. SCHEMATIC DIAGRAM - DAMP Board (1;2) -

Sony HCD-GT3D
96 pages
Print Icon
To Next Page IconTo Next Page
To Next Page IconTo Next Page
To Previous Page IconTo Previous Page
To Previous Page IconTo Previous Page
Loading...
HCD-GT3D
HCD-GT3D
5151
1
A
B
C
D
E
F
G
H
I
J
K
2 3 4 5 6 7 8 9 10 11 12 13 14 15 16 17
C1015 0.1
C1020 0.1
C1048
0.0022
C1095
0.1
C1012 0.1
C1067 1
C1038 0.1
C1036
2.2
C1134
0.1
C1039 330p
C1059 0.01
C1037 0.1
C1062
47
C1051
0.0022
C1029
2.2
C1026
2.2
C1052
0.0022
C1068
1
C1049
0.022
C1045
0.022
C1060
0.1
C1061
0.1
C1044
0.0022
C1053
0.022
C1021
0.1
C1056
0.0022
C1054
0.022
C1057
0.022
C1058
0.022
C1040 0.1
C1043
0.0022
C1074
1
C1007 220p
C1075
1
C1076 0.1
C1055
0.0022
C1077
CL1061
CL1062
0.01
C1078 0.01
C1079 0.1
C1046
0.022
C1050
0.022
C1022
2.2
C1047
0.0022
C1082 0.1
C1011 1000p
C1081 0.01
C1008 1000p
C1080 0.1
C1083
47 35V
CL1021
CL1022
CL1023
D1005
D1005 ~ D1006
BAV99-215
D1002
D1006
D1001
D1001 ~ D1002
BAV99-215
L1006
10uH
L1007
10uH
0
R1137
0
R1136
0
R1135
R1134 0
IC1001
TAS5630BPHDR
OC_ADJ
RESET
C_STARTUP
INPUT_A
INPUT_B
VI_CM
GND_7
AGND
VREG
INPUT_C
INPUT_D
FREQ_ADJ
OSC_IO+
OSC_IO-
SD
OTW1
OTW2
CLIP
READY
M1
M2
M3
GND_23
GND_24
GVDD_C
GVDD_D
BST_D
OUT_D_28
OUT_D_29
PVDD_D_30
PVDD_D_31
GND_D_32
GND_D_33
GND_C_34
GND_C_35
OUT_C_36
OUT_C_37
PVDD_C_38
PVDD_C_39
BST_C
BST_B
PVDD_B_42
PVDD_B_43
OUT_B_44
OUT_B_45
GND_B_46
GND_B_47
GND_A_48
GND_A_49
PVDD_A_50
PVDD_A_51
OUT_A_52
OUT_A_53
BST_A
GVDD_A
GVDD_B
GND_57
GND_58
NC_59
NC_60
NC_61
NC_62
PSU_REF
VDD
Q1004
Q1003
Q1006
DC DETECTION
LSCR523UBFS8TL
Q1003 ~ Q1004
OVERLOAD DETECTION
2SA1162-G
Q1014 ~ Q1017
OVERLOAD DETECTION
2SA1162-G
0
R1160
0
R1161
0
R1162
680k
R1030
18kR1138
100R1008
100
R1002
SW+
FL
FR
SW-
22kR1001
3.3
R1023
GVDD
680k
R1028
680
R1037
680k
R1029
C1063
47
Q1016
Q1017
C1125
47
Q1014
Q1015
56k
R1111
56k
R1112
220k
R1031
100
R1004
100k
R1036
3.3
R1012
1k
R1035
220k
R1033
3.3
R1027
3.3
R1020
10kR1141
10kR1009
3.3
R1018
3.3
R1017
3.3
R1011
3.3
R1024
56k
R1032
3.3
R1026
100
R1003
3.3
R1022
100
R1005
3.3
R1025
3.3
R1021
CL1024
CL1025
CL1026CL1059
CL1027
CL1028
CL1030
CL1031
CL1032
CL1046
CL1047
CL1049
CL1050
CL1051
CL1048
CL1041
CL1042
CL1043
CL1044
CL1045
CN1005
8P
1V1
3V1
4V1
5V1
6V1_GND
7V1_GND
8V1_GND
9V1_GND
DAMP-PROTECT
M+13V
MGND
10k
R1076
10k
R1077
10k
R1078
10k
R1079
0.1
C1139
0.1
C1138
0.1
C1141
0.1
C1140
10k
R1080
10k
R1081
100k
R1082
100k
R1083
R1084
47k
R1085
47k
R1128 4.7k
R1126
100k
R1127
12k
R1129
33k
3.3
R1087
3.3
R1088
C1105
0.0022
C1104
0.0022
C1106
0.0022
C1107
0.0022
D1008
BAV99-215
CL1037
C1108 R1072 1k1 50V
C1117
1
C1118
1
C1119
1
C1120
1
C1121 0.1
C1167 0.1
C1122 0.1
C1123 0.01
C1168 0.1
C1132 0.015
C1169 0.1
C1131 0.1
C1124 0.01
56k
R1106
C1126
220
35V
C1142
3300 71V
C1136
47 16V
35V
C1127
220
35V
35V
C1128
220
C1129
220
CN1007
2P
1 SW -
2 SW +
POWER AMP
IC1001
KTA1542T-RTK/P
AMP RESET SWITCH
Q1018
PBSS4160T
AMP RESET SWITCH
Q1019
RY001
47R1131
47R1130
DA2J10100L
D1013
LSCR523UBFS8TL
Q1021
RELAY DRIVER
1k
R1132
1k
R1170
1k
R1171
47k
R1133 C1137
100 10V
1
2
3
4
5
6
7
8
9
10
11
12
13
14
15
16
17
64
63
62
61
60
59
58
57
56
55
54
53
52
51
50
49
18
19
20
21
22
23
24
25
26
27
28
29
30
31
32
48
47
46
45
44
43
42
41
40
39
38
37
36
35
34
33
/AMP-RESET
/SD-FAST
-
-
+
+
TB001
RED
WHITE
4P
R
L
MID/TWEETERS
,03('$1&(86(ȍ
1
2
>043S
DAMP BOARD

3DJH
>044S
DAMP BOARD

3DJH
3
>045S
DAMP BOARD

3DJH
(1/2)DAMP BOARD
20uH
L1010
SMPS
BOARD

-
LOUDSPEAKER
-
+
RB551V-30TE-17
D1017
1.2
3.1
3.3
2
2
2
3.3
2
2
1
1.8
1.4
3.4
3.3
3.3 3.3 12.4 12.4 30.2 24.2 24.2 50.8 50.8
24.2
24.2
50.8
50.8
30.2
30.4
50.8
50.8
24.2
24.2
50.850.824.224.230.212.412.4212.4
0
24.6
24.6
0
24.6
24.6
0
25.3
25.3
0
25.3
25.3
0
25.3
25.3
0
25.3
25.3
0
3.4
0.1
0.8
0
3.3
3.3
3.1
0
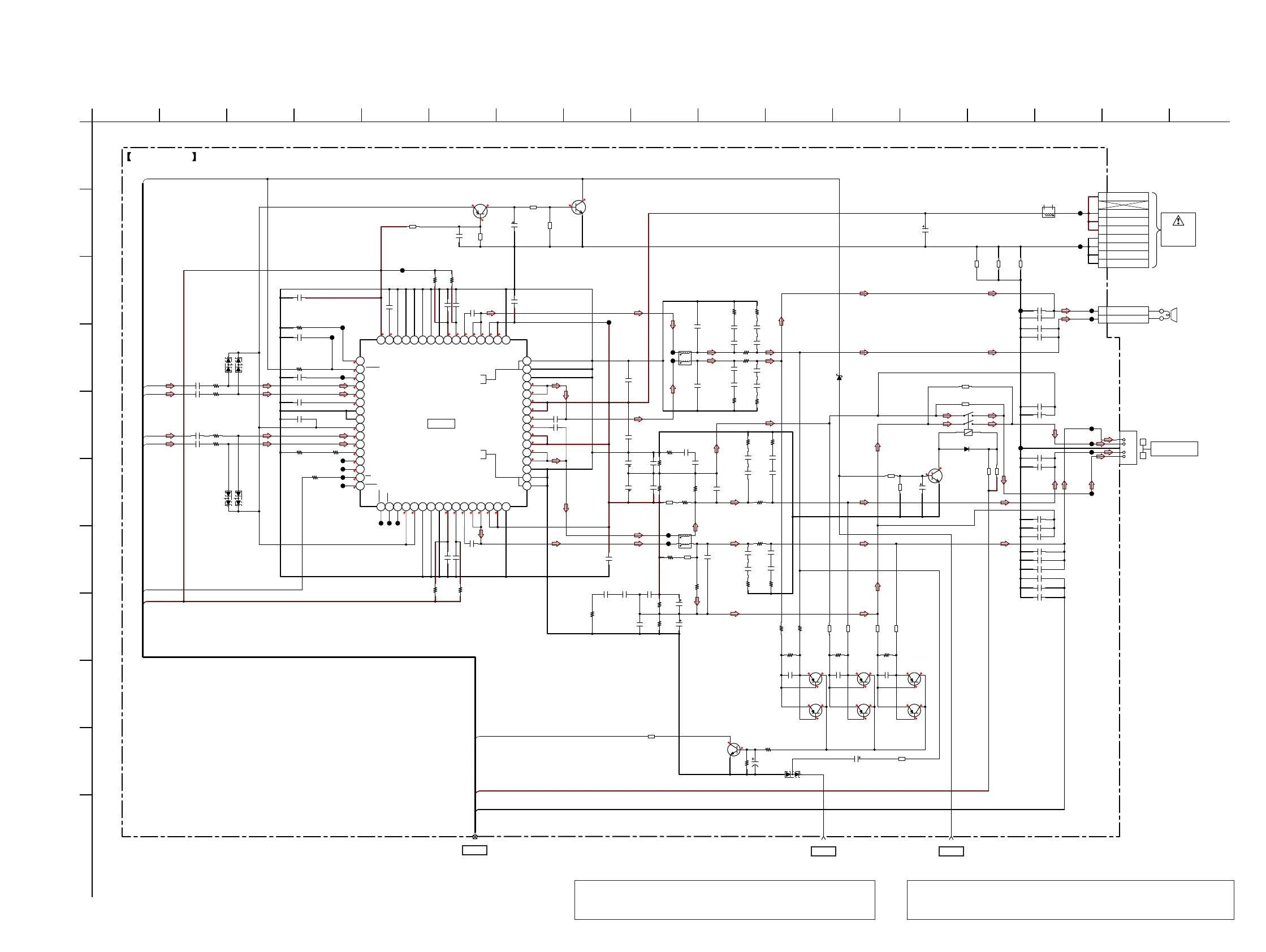
6-17. SCHEMATIC DIAGRAM - DAMP Board (1/2) -
• See page 59 for IC Block Diagrams.
Note 2: When the C1126, C1127, C1128, C1129, C1142, L1010 and RY001
on the DAMP board are replaced, spread the bond referring to “BOND
FIXATION OF ELECTRIC PARTS” on servicing notes (page 6).
Note 1: When the complete DAMP board is replaced, refer to “NOTE
OF REPLACING THE IC1001 ON THE DAMP BOARD AND
THE COMPLETE DAMP BOARD” on servicing notes (page 5).
Ver. 1.1

Table of Contents