EasyManua.ls Logo

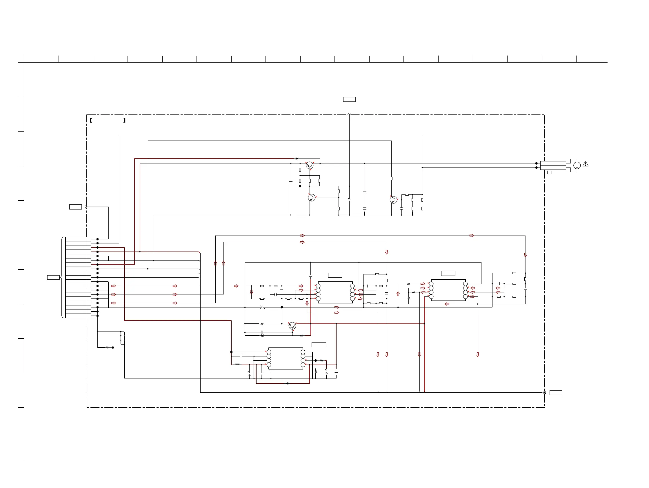
Sony HCD-GT3D - SECTION 6 DIAGRAMS; 6-18. SCHEMATIC DIAGRAM - DAMP Board (2;2) -

Sony HCD-GT3D
96 pages
Print Icon
To Next Page IconTo Next Page
To Next Page IconTo Next Page
To Previous Page IconTo Previous Page
To Previous Page IconTo Previous Page
Loading...
HCD-GT3D
HCD-GT3D
5252
1
A
B
C
D
E
F
G
H
I
J
K
2 3 4 5 6 7 8 9 10 11 12 13 14 15 16 17
C1001
0.1
C1003
10
C1005
22
C1002
0.1
C1092 1000p
C1090
0.1
C1133
0.1
D1016
RF05VAM2STR
C1089
10
50V
CN1004
2P
1FAN+
2FAN-
D1007
RB551V-30TE-17
Q1010
FAN MOTOR
DRIVER
DSA700300L
Q1011
FAN PROTECTION
LSCR523UBFS8TL
R1068
2.2
R1065
2.2
R1063
3.3k
R1064
22k
R1139
0
R1070
27k
R1062
10k
R1067
2.2
R1066
3.3
47k
R1052
3.3k
R1053
47uH
L1009
IC1003
BD00GA3WEFJ-E2
VO
FB
GND
NC_4EN
NC_6
NC_7
VCC
CL1054
CL1052
CL1053
CL1038
CL1063
CL1039
Q1023
LSCR523UBFS8TL
FAN RESET
SWITCH
C1004
10 50V
R1091
3.3k
R1092
3.3k
+12V REG
IC1003
M
DC FAN
R1069
22k
C1091
10 50V
5
6
7
8
4
3
2
1
Q1022
LSCR523UBFS8TL
BIAS
2.2kR1145
100kR1147
C1143 0.1
C1144 100 10V
R1152
8.2k
C1150
1500p
C1147
1500p
R1148
1.8k
4.7k
R1158
4.7k
R1159
2.2kR1157
R1154
1.8k
C1156
0.0027
C1149
0.1
D1014
DZ2J068M0L
1OUT
1-IN
1+IN
GND
2+IN
2-IN
2OUT
VCC
R1151
2.2k
C1151
0.0022
R1164
4.7k
R1150
2.2k
R1149
4.7k
C1148
0.0022
R1165
8.2k
C1155
0.0022
R1166
3.3k
R1167 3.3k
R1168 3.9k
R1156 2.2k
R1155 5.6k
R1169 3.3k
R1153 1.8k
FL
FR
SW-
5
6
7
8
4
3
2
1
1OUT
1-IN
1+IN
GND
2+IN
2-IN
2OUT
VCC
5
6
7
8
4
3
2
1
IC1004
NJM4565M(TE2)
PRE AMP
IC1004
IC1005
NJM4565M(TE2)
PRE AMP
IC1005
MGND
JC1019
0
JC1020
0
CL1003
R1163 0
CL1060
CN1001
19P
1RELAY_CTRL
2FAN-DET
3A+13V
4M+13V
5MGND
6MGND
7M+5V
8/DAMP-PROTECT
/DAMP-PROTECT
9/AMP-RESET
/AMP-RESET
10/SD-FAST
/SD-FAST
11AGND
12FL
13AGND
14FR
15AGND
16SW
17AGND
18AGND
19AGND
CL1002
CL1001
CL1004
CL1005
CL1006
CL1007
CL1008
CL1009
CL1010
CL1011
CL1012
CL1013
CL1014
CL1015
CL1016
CL1017
CL1018
CL1019
M+13V
GVDD
SW+
2
(2/2)DAMP BOARD
1
>043S
DAMP BOARD
(1/2)
(Page 51)
>044S
DAMP BOARD
(1/2)
(Page 51)
>041S
MOTHERBOARD
BOARD
(10/10)
CN119
(Page 49)
3
>045S
DAMP BOARD
(1/2)
(Page 51)
13.6
13.4
12.2
0.8
5.1
13.7
13.7
0.1
3.4
0
0
6.5
6.5
6.5
12.4
6.5
6.5
6.5
6.5
6.5
6.3
12.4
6.7
6.5
6.5
12.5
6.5
7.1
6-18. SCHEMATIC DIAGRAM - DAMP Board (2/2) -

Table of Contents

Related product manuals