EasyManua.ls Logo

SUNWARD SWE155F - Hydraulic Schematic

SUNWARD SWE155F
188 pages
Print Icon
To Next Page IconTo Next Page
To Next Page IconTo Next Page
To Previous Page IconTo Previous Page
To Previous Page IconTo Previous Page
Loading...
OPERATION & MAINTENANCE MANUAL SWE155F
175
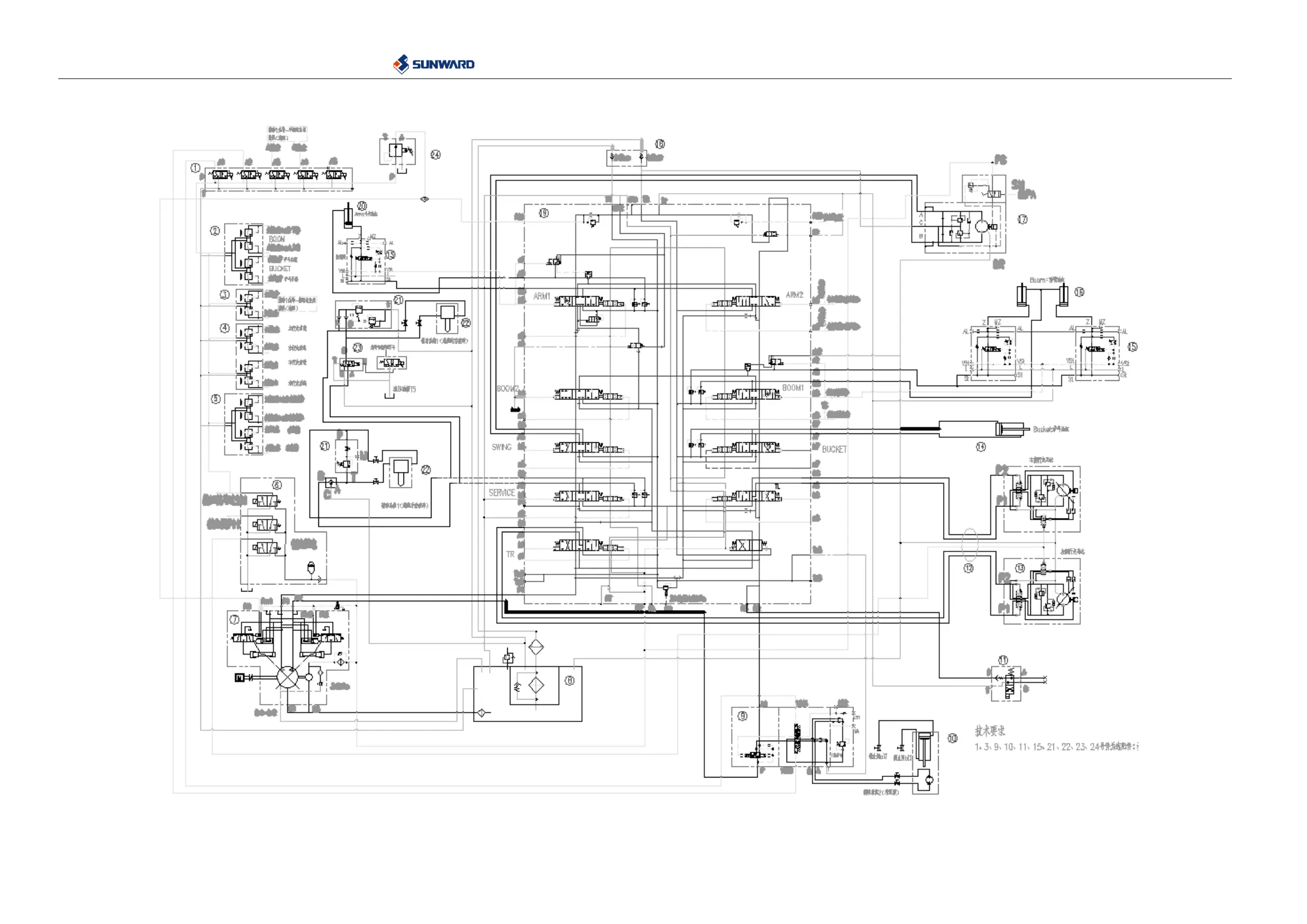
5.1.6 Hydraulic Schematic

Table of Contents

Related product manuals