EasyManua.ls Logo

Tektronix 2230 - Page 375

Tektronix 2230
483 pages
To Next Page IconTo Next Page
To Next Page IconTo Next Page
To Previous Page IconTo Previous Page
To Previous Page IconTo Previous Page
Loading...
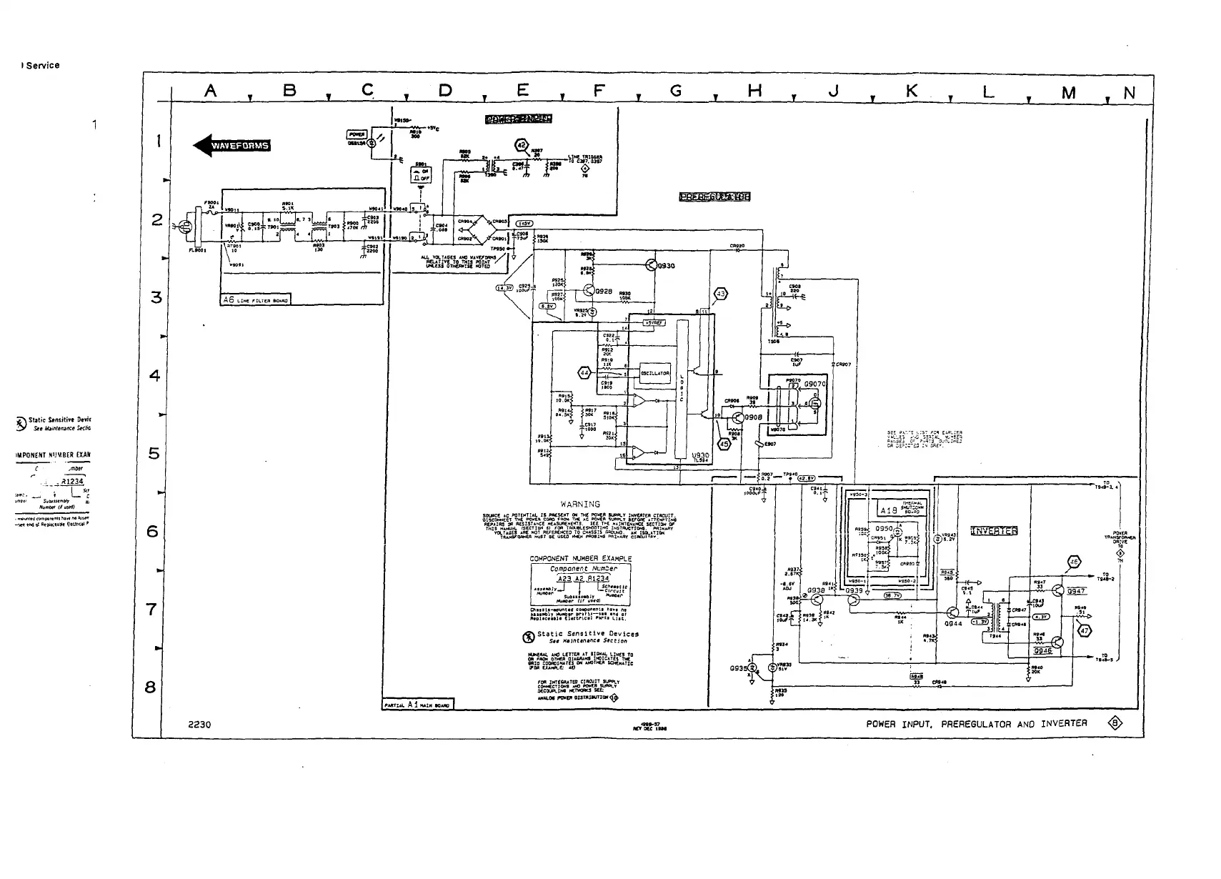
I Service
i
S>
Static Sensitive D*vi<
See Miinltmnce Stihc
iMPONENT NUMBER £XAR
C .mOtr
. . * 1 2 3 4
~--..LT L i
Jines' SvbiSStmMy N,
Numtrr (if attS)
- * *
t n 4 s i S « s » * t« » W
r

Table of Contents

Other manuals for Tektronix 2230

Related product manuals