EasyManua.ls Logo

Thames Side Smart Series - Band(I) (Bd); Hysteresis(I) (Hy); Locked (D_Loc); Output(I) (Output)

Thames Side Smart Series
72 pages
Print Icon
To Next Page IconTo Next Page
To Next Page IconTo Next Page
To Previous Page IconTo Previous Page
To Previous Page IconTo Previous Page
Loading...
Configuration and Calibration
3-18
3.7.6 BAND(i) (bd)
A numerical value which determines the value of the IN_B and OUT_B selections of
the TRIP parameter.
3.7.7 HYSTERESIS(i) (hy)
Determines the hysteresis value which prevents chattering of the digital output
3.7.8 LOCKED (D_LOC)
It blocks the modification of VL(i) value through the keyboard (see 2.9)
3.7.9 OUTPUT(i) (output)
Associates a physical digital output with a setpoint (see 5.5). If you try to assign more
than one setpoint to a digital output, the message ā€œout_errā€ is displayed.
These are the options:
OFF, 1, 2, 3, 4
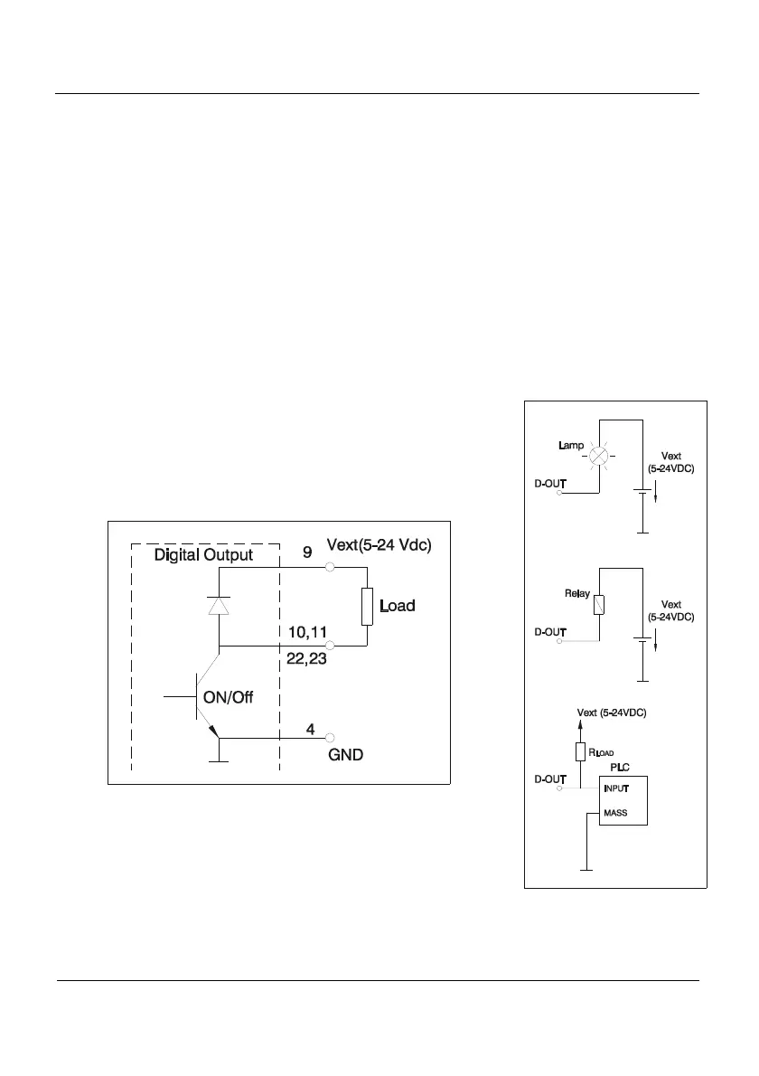
Figure 3.7.9.1 Digital Output Equivalent Circuit
Figure 3.7.9.2 Examples of
Application

Table of Contents