EasyManua.ls Logo

Thermo King RD-MT - Remove Evacuation Hoses

Thermo King RD-MT
190 pages
Print Icon
To Next Page IconTo Next Page
To Next Page IconTo Next Page
To Previous Page IconTo Previous Page
To Previous Page IconTo Previous Page
Loading...
Refrigeration Maintenance
116
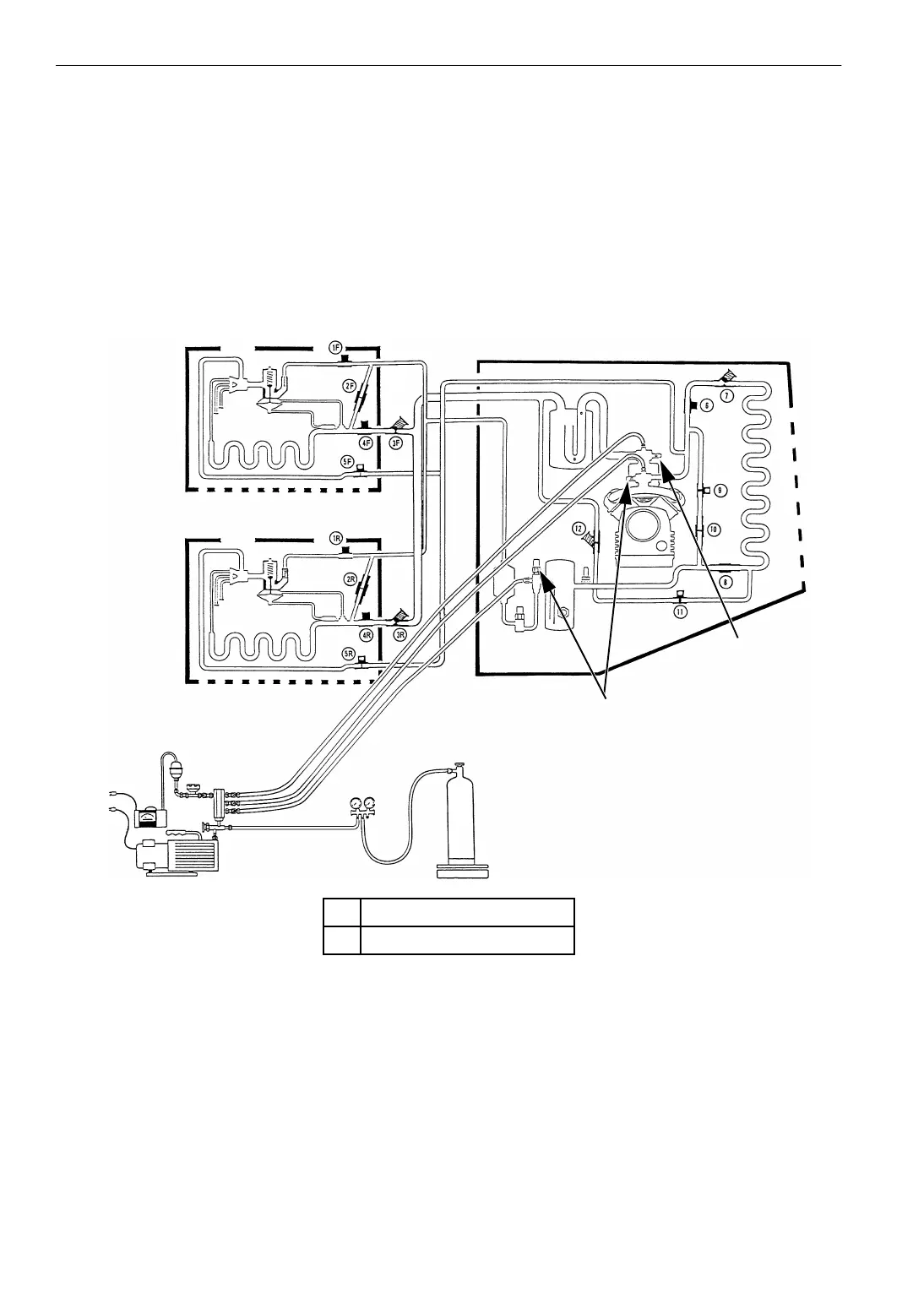
Remove Evacuation Hoses
1. Run the unit with both evaporators in Cool
and with the receiver outlet and discharge
service valves back seated.
2. Front seat the suction service valve and allow
the compressor to pump down to 3 to 5 psi
(21 to 34 kPa). Stop the unit. Remove the hose
from the suction service valve service port.
Immediately install the cap on the suction
service port and tighten it.
3. Back seat the suction service valve.
4. Remove the hoses from the receiver outlet and
discharge service valves.
5. Replace and tighten the service port and valve
stem caps.
6. The unit is now ready for a functional check
out and run in.
1. Back Seated
2. Front Seat to Pump Down
Figure 63: Remove Hoses
AEA647
2
1

Table of Contents

Related product manuals