EasyManua.ls Logo

Thermo King RD-MT - Engine Mounts

Thermo King RD-MT
190 pages
Print Icon
To Next Page IconTo Next Page
To Next Page IconTo Next Page
To Previous Page IconTo Previous Page
To Previous Page IconTo Previous Page
Loading...
Engine Maintenance
98
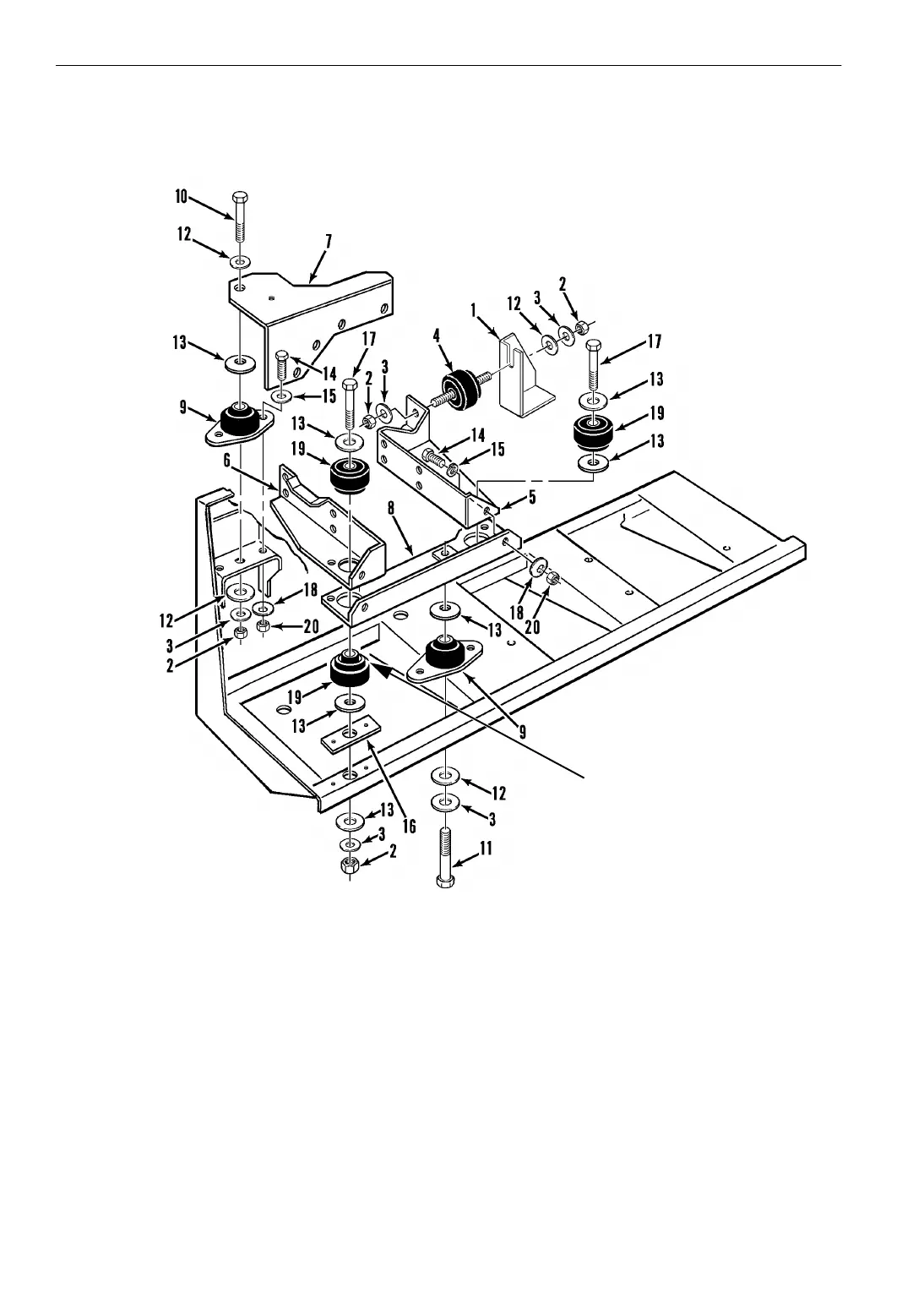
Engine Mounts
The engine mounting system contains three
vibration mounts and two snubber mounts.
Figure 51: Engine Mounting Components
0.20 Air Gap Between
Lower Snubber and
Engine Bracket When
Assembled (Snubbers
Only)

Table of Contents

Related product manuals