EasyManua.ls Logo

Tokheim QUANTIUM 410 - Page 87

Tokheim QUANTIUM 410
102 pages
Print Icon
To Next Page IconTo Next Page
To Next Page IconTo Next Page
To Previous Page IconTo Previous Page
To Previous Page IconTo Previous Page
Loading...
Document Ref 909342-001 Rev 11 Page 5-31
Quantium 410 Installation Manual Installation
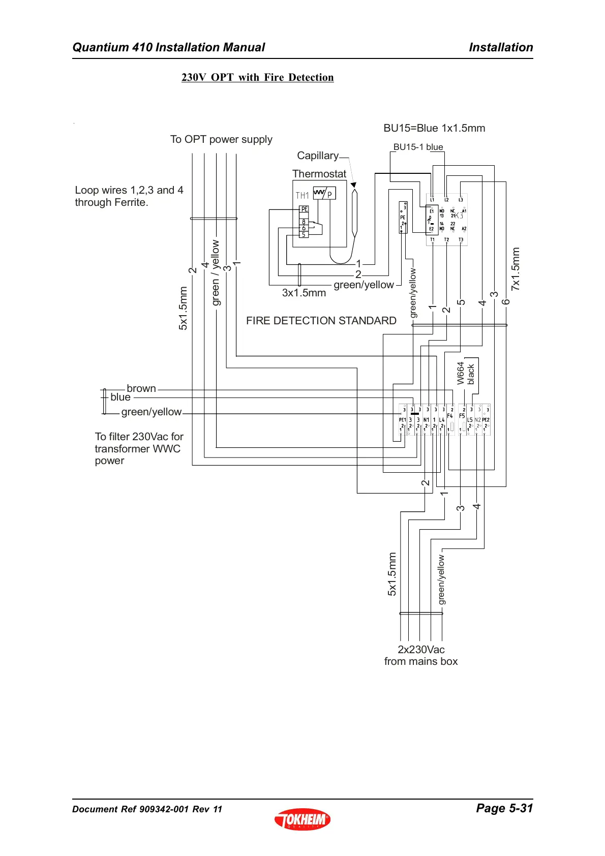
230V OPT with Fire Detection
brown
To O PT po w e r su pply
1
2
3
4
green / yellow
5x1.5mm
Loop wires 1,2,3 and 4
through Ferrite.
blue
green/yellow
To filter 230Vac for
transformer WWC
power
FIRE DETECTION STANDARD
Capillary
Thermostat
3x1.5mm
green/yellow
green/yellow
2
1
1
2
5
4
3
6
7x1.5mm
BU15=Blue 1x1.5mm
BU15-1 blue
W664
black
2
1
3
4
green/yellow
5x1.5mm
2x230Vac
from mains box

Table of Contents

Related product manuals