EasyManua.ls Logo

Tormach 8L - VDC Controls (Sheet 2)

Tormach 8L
118 pages
Print Icon
To Next Page IconTo Next Page
To Next Page IconTo Next Page
To Previous Page IconTo Previous Page
To Previous Page IconTo Previous Page
Loading...
7: ELECTRICAL SCHEMATICS
©Tormach® 2021
Specifications subject to change without notice.
Page 95 UM10753: 8L Operator's Manual (Version 0321B)
For the most recent version, see tormach.com/support
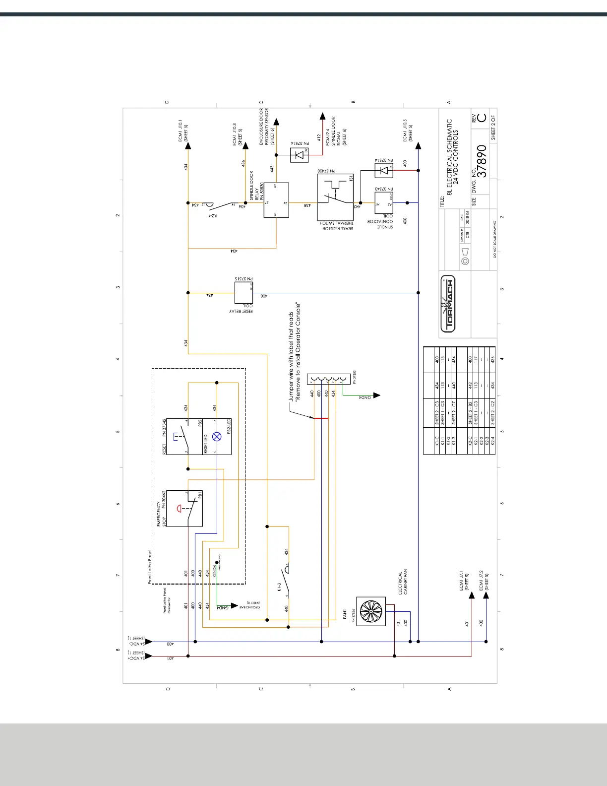
7.27 24 VDC CONTROLS (SHEET 2)
M
1
10 11
1
RESET RELAY
LOCATION
TERMINAL 1 TERMINAL 2
SPINDLE
CONTACTOR
LOCATION
TERMINAL 1 TERMINAL 2
1
1
B
10
THIS DRAWING CONTAINS PROPRIETARY AND
CONFIDENTIAL INFORMATION BELONGING
TO TORMACH INC. THIS DRAWING MAY NOT BE
REPRODUCED OR COPIED IN WHOLE OR IN PART
NOR CAN THE INFORMATION CONTAINED BE
USED FOR ANY PURPOSE WITHOUT THE EXPRESS
WRITTEN PERMISSION OF TORMACH INC
1071 UNIEK DR
WAUNAKEE, WI 53597
608-849-8381

Table of Contents